Curiosii for ever!
: Car repair manuals for everyone.
Home
>>
Pontiac
>>
1985
>>
Grand Prix V8-305 5.0L
>>
Repair and Diagnosis
>>
Locations
>>
Component Locations
>>
Modules
>>
Electronic Control Module (ECM)
Electronic Control Module (ECM)
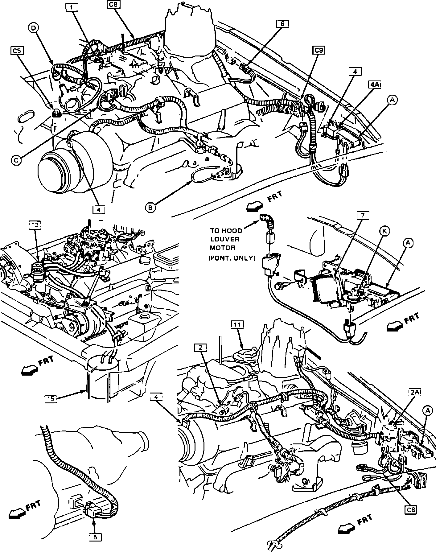
ECM Wiring Harness (Part 1 Of 2).:
ECM Wiring Harness (Part 2 Of 2).:
Underhood Component Locations.:
RH Shroud Behind Kick Panel
Applicable to: 1985 V8-305/5.0L Engine