Curiosii for ever!
: Car repair manuals for everyone.
Home
>>
Pontiac
>>
1983
>>
Phoenix V6-173 2.8L VIN X 2-bbl
>>
Repair and Diagnosis
>>
Diagrams
>>
Components
>>
Miscellaneous Components
>>
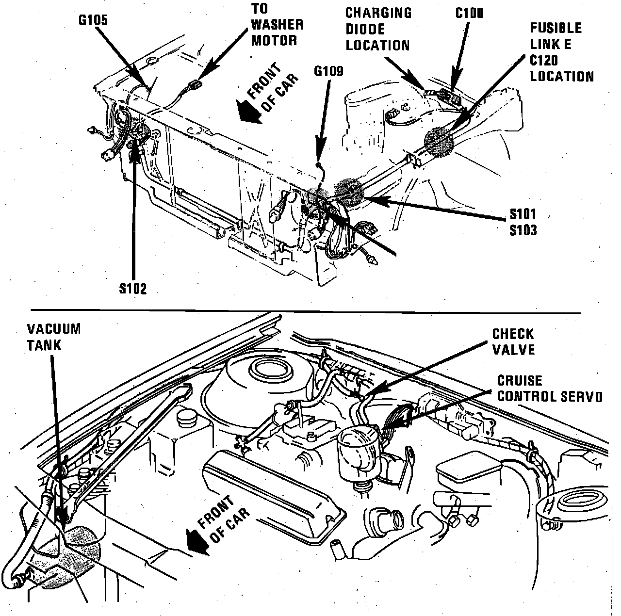
Cruise Control Servo
Cruise Control Servo
Engine Compartment.:
Rear Of Engine, Near Center Of Engine Cowl
Applicable to: Phoenix