Curiosii for ever!
: Car repair manuals for everyone.
Home
>>
Pontiac
>>
1983
>>
Phoenix L4-151 2.5L VIN R TBI
>>
Repair and Diagnosis
>>
Specifications
>>
Mechanical Specifications
>>
Engine
>>
System Specifications
System Specifications
Torque & Engine Specifications:
Continued Engine Specifications:
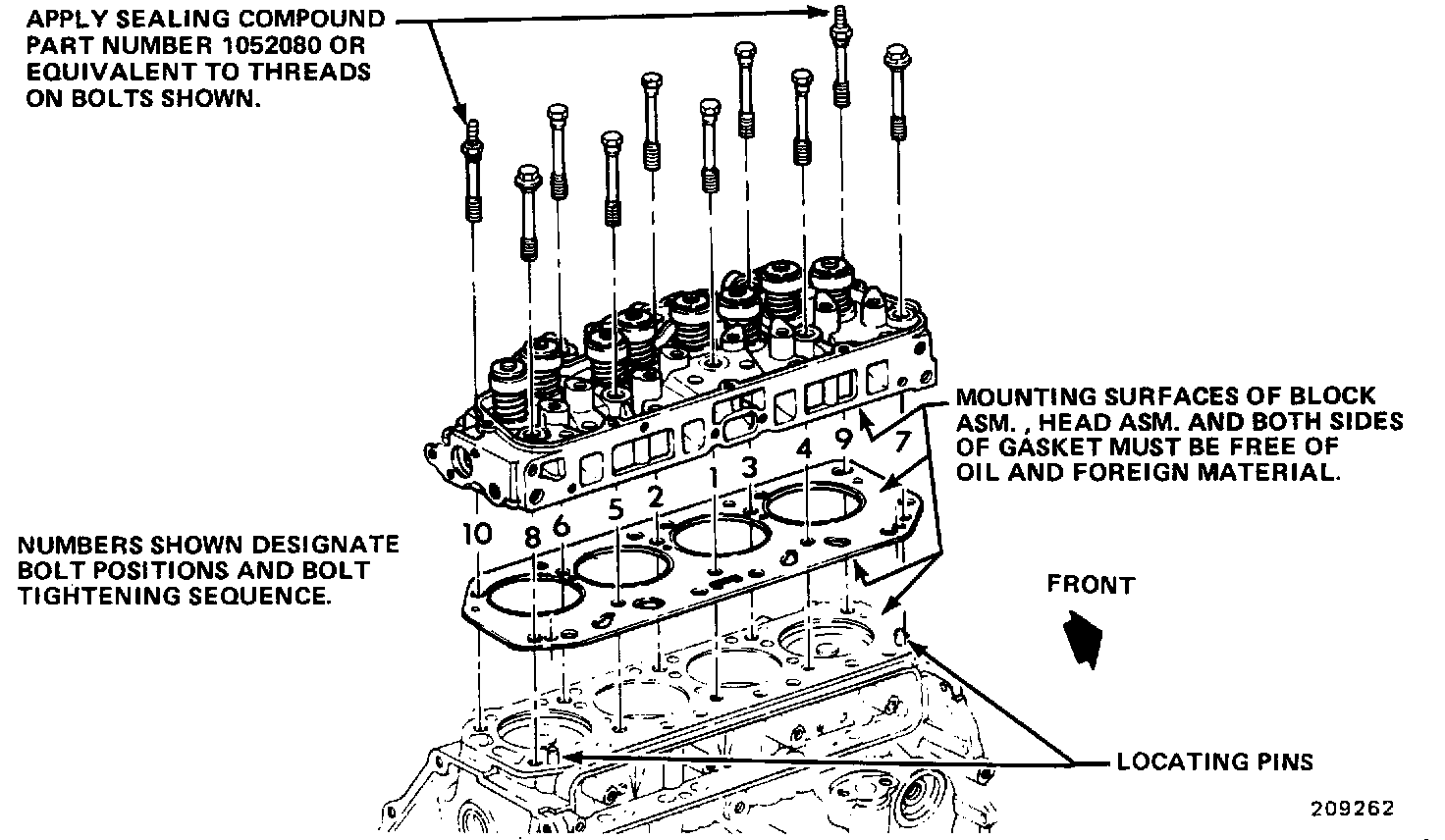
Cylinder Head Sequence:
Intake Manifold Sequence: