Curiosii for ever!
: Car repair manuals for everyone.
Home
>>
Pontiac
>>
1982
>>
Phoenix L4-151 2.5L VIN R TBI
>>
Repair and Diagnosis
>>
Powertrain Management
>>
Diagrams
>>
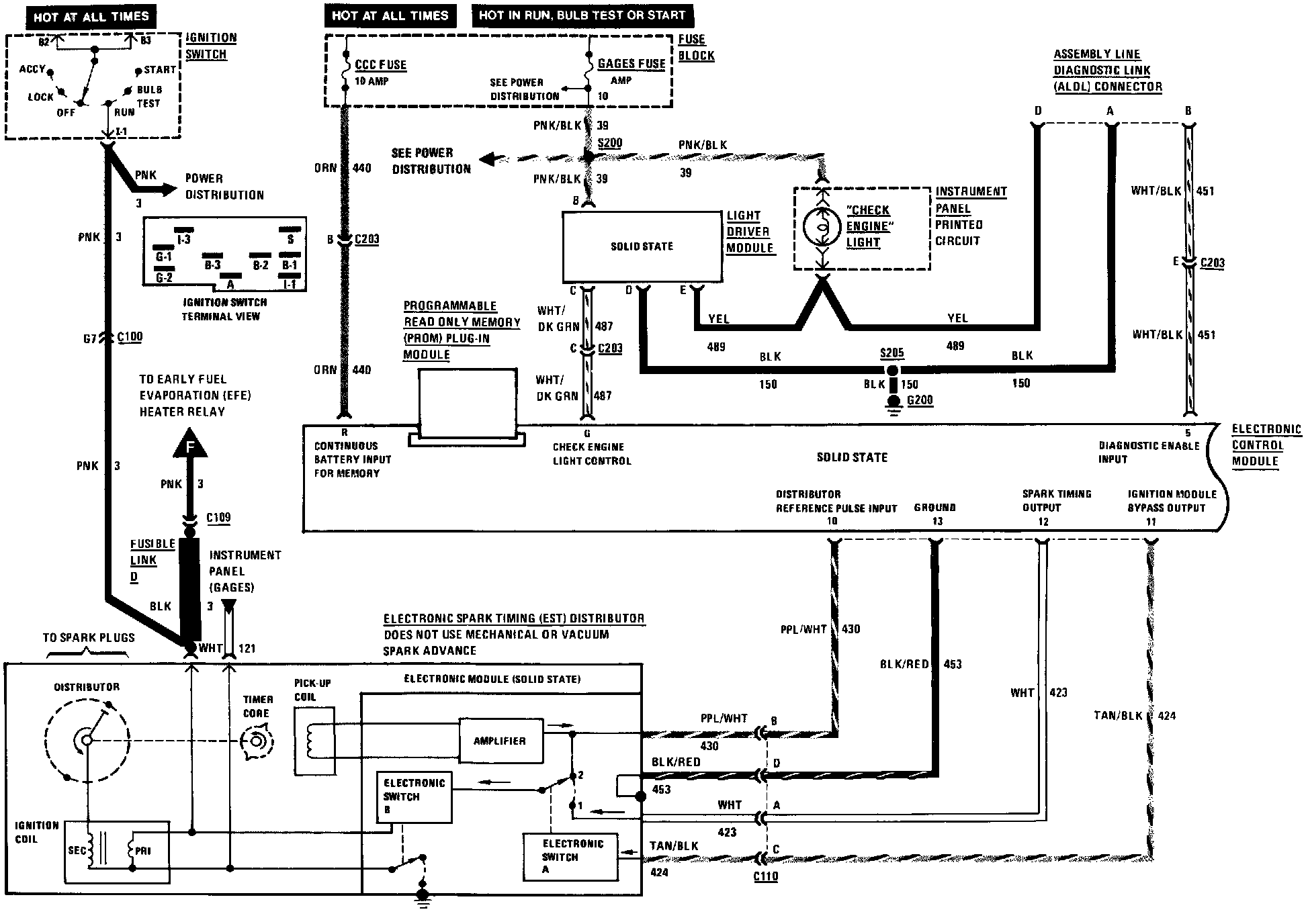
Ignition Controls
Ignition Controls
Ignition System Wiring Diagram: