Curiosii for ever!: Car repair manuals for everyone.

Alternator: Service and Repair



Generator Replacement (LY7)

Removal Procedure




1. Disconnect the negative battery cable.
2. Remove the drive belt.
3. Disconnect the engine wiring harness electrical connector (1) from the generator.




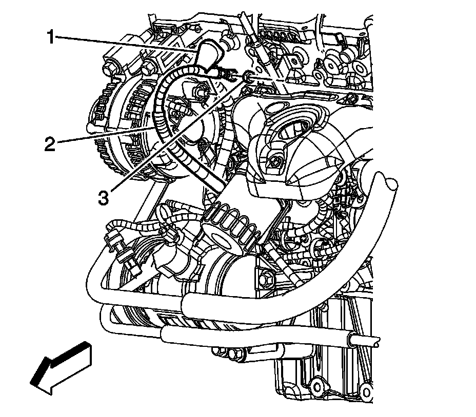
4. Reposition the generator wiring harness boot (1) at the generator terminal.
5. Remove the generator wiring harness nut (3) from the generator.
6. Remove the generator wiring harness (2) terminal from the generator.




7. Remove the idler pulley (3).
8. Remove the generator bolts (1).

Important: When removing the generator from the vehicle, it may be necessary to maneuver the generator to remove it from the vehicle.

9. Remove the generator (2).

Installation Procedure




1. Position the generator (2) to the engine.
2. Loosely install the generator bolts (1).
3. Install the idler pulley (3).

Notice: Refer to Fastener Notice.

4. Tighten the generator bolts.

Tighten the bolts to 50 N.m (37 lb ft).




5. Install the generator wiring harness (2) terminal to the generator.
6. Install the generator wiring harness nut (3) to the generator.

Tighten the nut to 20 N.m (15 lb ft).

7. Position the generator wiring harness boot (1) at the generator terminal.




8. Connect the engine wiring harness electrical connector (1) to the generator.
9. Install the drive belt.
10. Connect the negative battery cable.