Curiosii for ever!: Car repair manuals for everyone.

Knock Sensor Replacement - Bank 2



Knock Sensor Replacement - Bank 2

Removal Procedure




1. Raise and support the vehicle. Refer to Vehicle Lifting.
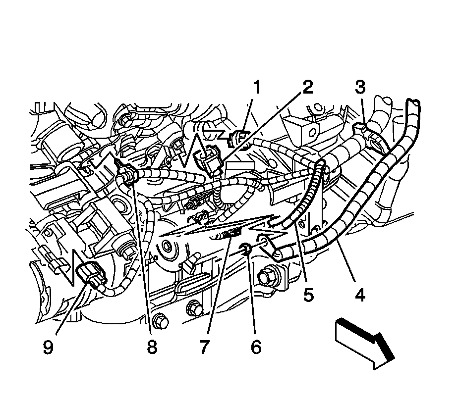
2. Disconnect the engine wiring harness electrical connector (2) from the knock sensor.




3. Loosen the knock sensor bolt and remove the knock sensor.

Installation Procedure

Important: DO NOT apply threadlocker to the sensor threads. The sensor threads are coated at the factory and applying additional threadlocker affects the sensor's ability to detect detonation.






Notice: Refer to Fastener Notice.

1. Position the knock sensor to the engine and tighten the bolt.

Tighten the bolt to 25 N.m (18 lb ft).




2. Connect the engine wiring harness electrical connector (2) to the knock sensor.
3. Lower the vehicle.