Curiosii for ever!: Car repair manuals for everyone.

Battery Replacement



Battery Replacement

Removal Procedure




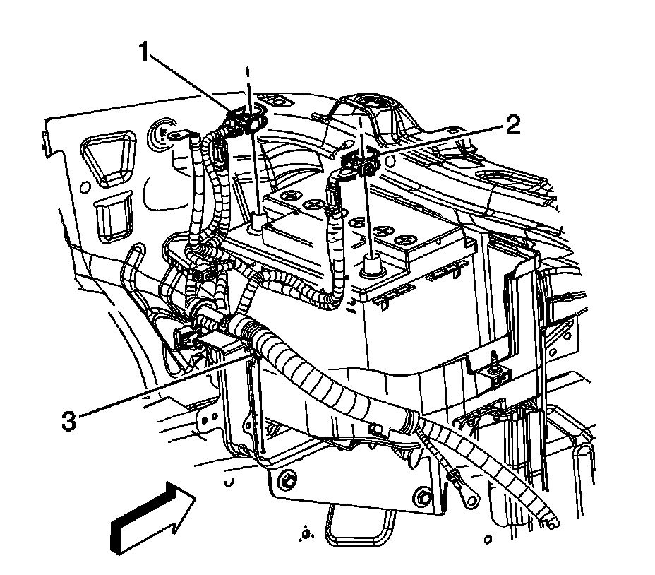
1. Disconnect the negative battery cable.
2. Loosen the positive battery cable terminal nut.
3. Remove the positive battery cable lead (2) from the battery.






Caution: Do not tip the battery over a 45 degree angle or acid could spill causing serious personal injury.

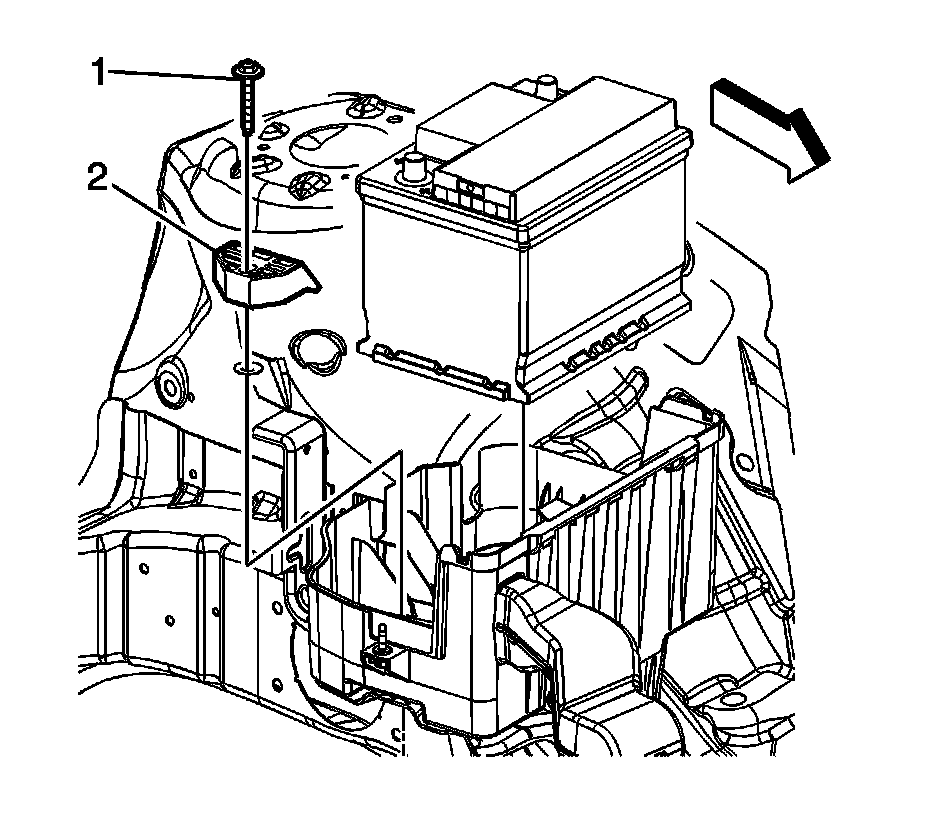
4. Remove the battery hold down bolt (1) and hold down (2).
5. Remove the battery.

Installation Procedure


Caution: Do not tip the battery over a 45 degree angle or acid could spill causing serious personal injury.




1. Install the battery to the battery box.

Notice: Refer to Fastener Notice.

2. Install the battery hold down and bolt, tighten the bolt.

Tighten the bolt to 15 N.m (11 lb ft).




3. Install the positive battery cable lead (2) to the battery.
4. Tighten the positive battery cable terminal nut.

Tighten the nut to 17 N.m (13 lb ft).

5. Connect the negative battery cable.