Curiosii for ever!
: Car repair manuals for everyone.
Home
>>
Pontiac Truck
>>
2005
>>
Aztek AWD V6-3.4L VIN E
>>
Repair and Diagnosis
>>
Power and Ground Distribution
>>
Locations
>>
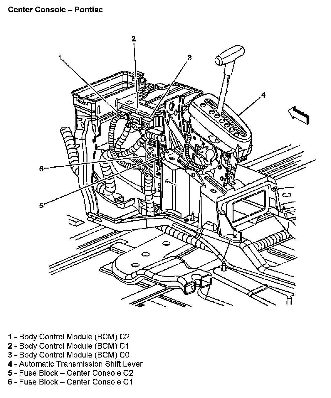
Console Views
Console Views
Center Console: