Curiosii for ever!
: Car repair manuals for everyone.
Home
>>
Pontiac Truck
>>
2004
>>
Aztek AWD V6-3.4L VIN E
>>
Repair and Diagnosis
>>
Windows and Glass
>>
Windows
>>
Power Window Switch
>>
Locations
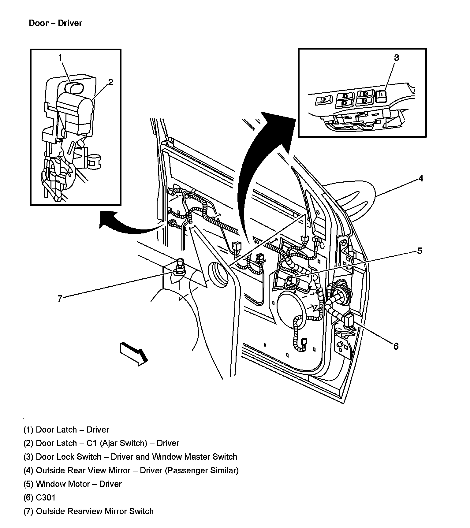
Power Window Switch: Locations
Door - Driver:
Door - Front Passenger:
Door - LR:
Door - RR:
Door - Driver:
Door - Front Passenger:
Door - LR:
Door - RR: