Curiosii for ever!: Car repair manuals for everyone.

Air Flow Meter/Sensor: Service and Repair

MASS AIR FLOW (MAF) SENSOR REPLACEMENT

REMOVAL PROCEDURE
1. Turn OFF the ignition.
2. Disconnect the intake air temperature (IAT) sensor electrical connector.




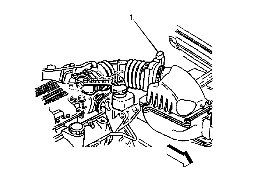
3. Disconnect the mass air flow (MAF) sensor (1) electrical connector.
4. Remove the air inlet duct from the MAF sensor and the throttle body.
5. Remove the MAF sensor from the air filter housing.

INSTALLATION PROCEDURE




1. Install the MAF sensor to the air filter housing.
2. Install the air inlet duct to the MAF sensor and the throttle body.
3. Connect the IAT sensor electrical connector.
4. Connect the MAF sensor (1) electrical connector.
5. Start and idle the engine.
6. Inspect the air intake duct for leaks.