Curiosii for ever!
: Car repair manuals for everyone.
Home
>>
Pontiac Truck
>>
2004
>>
Aztek AWD V6-3.4L VIN E
>>
Repair and Diagnosis
>>
Diagrams
>>
Exploded Views
>>
Automatic Transmission/Transaxle
>>
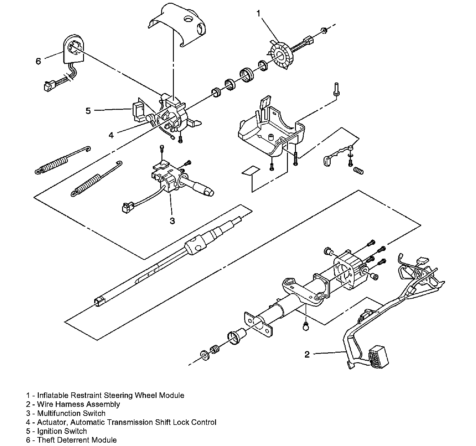
Steering Column Disassembled View
Steering Column Disassembled View
Disassembled View
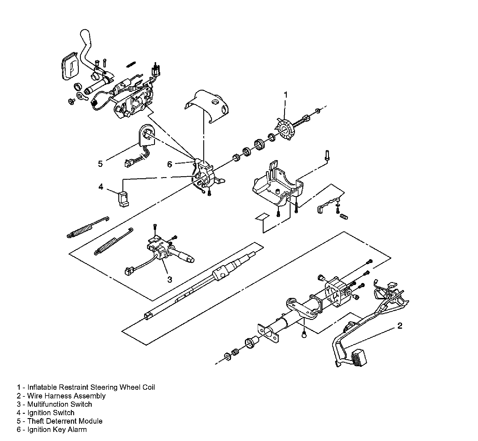
Steering Column Disassembled View
Steering Column Disassembled View (Pontiac)