Curiosii for ever!: Car repair manuals for everyone.

Fuel Tank Pressure Sensor: Service and Repair

REMOVAL PROCEDURE
1. Remove the fuel tank.




2. Disconnect the electrical connector from the fuel tank vapor pressure sensor.
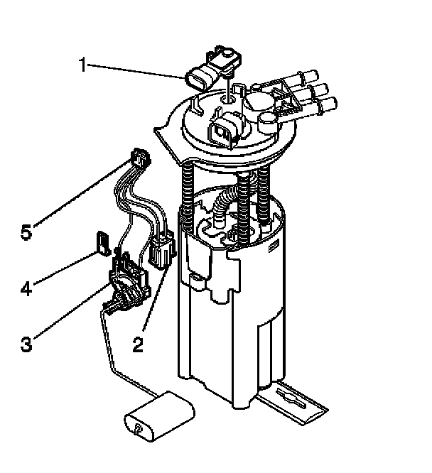
3. Remove the fuel tank pressure sensor (1) from the modular fuel sender.

INSTALLATION PROCEDURE




1. Install the new fuel tank pressure sensor (1) to the modular fuel sender.
2. Connect the electrical connector to fuel tank vapor pressure sensor.
3. Install the fuel tank.