Curiosii for ever!
: Car repair manuals for everyone.
Home
>>
Pontiac Truck
>>
2002
>>
Aztek V6-3.4L VIN E
>>
Repair and Diagnosis
>>
Powertrain Management
>>
Diagrams
>>
Electrical Diagrams
>>
Engine Controls
>>
Ignition Controls
Ignition Controls
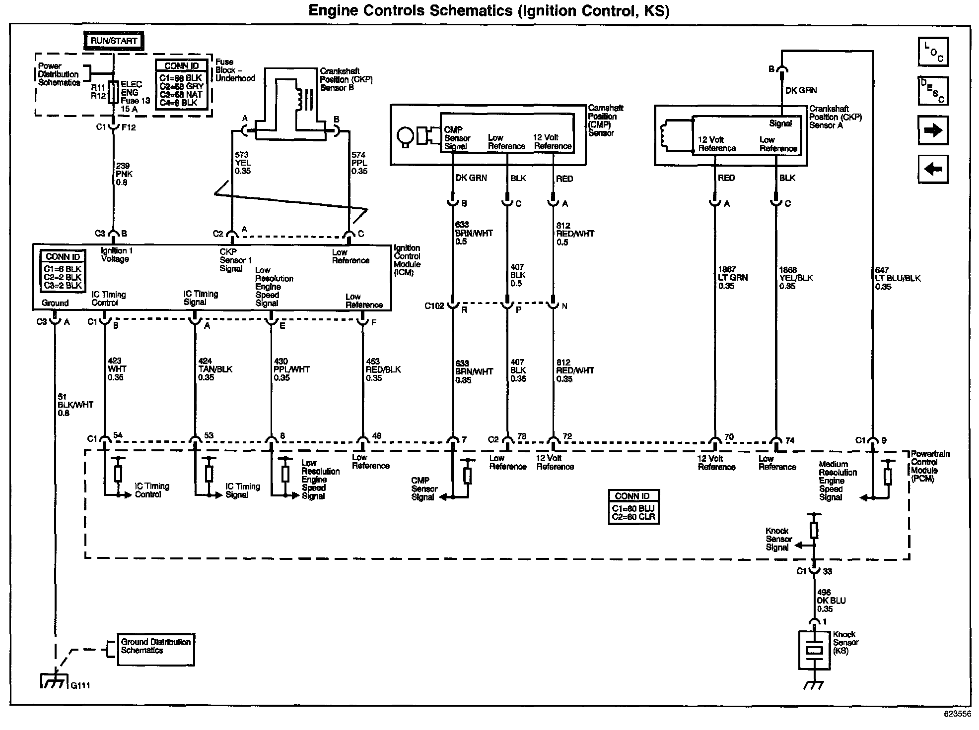
Engine Controls Schematics: Ignition Controls, KS: