Curiosii for ever!
: Car repair manuals for everyone.
Home
>>
Plymouth
>>
2000
>>
Prowler V6-3.5L VIN G
>>
Repair and Diagnosis
>>
Relays and Modules
>>
Relays and Modules - Powertrain Management
>>
Relays and Modules - Computers and Control Systems
>>
Engine Control Module
>>
Diagrams
>>
Electrical Diagrams
>>
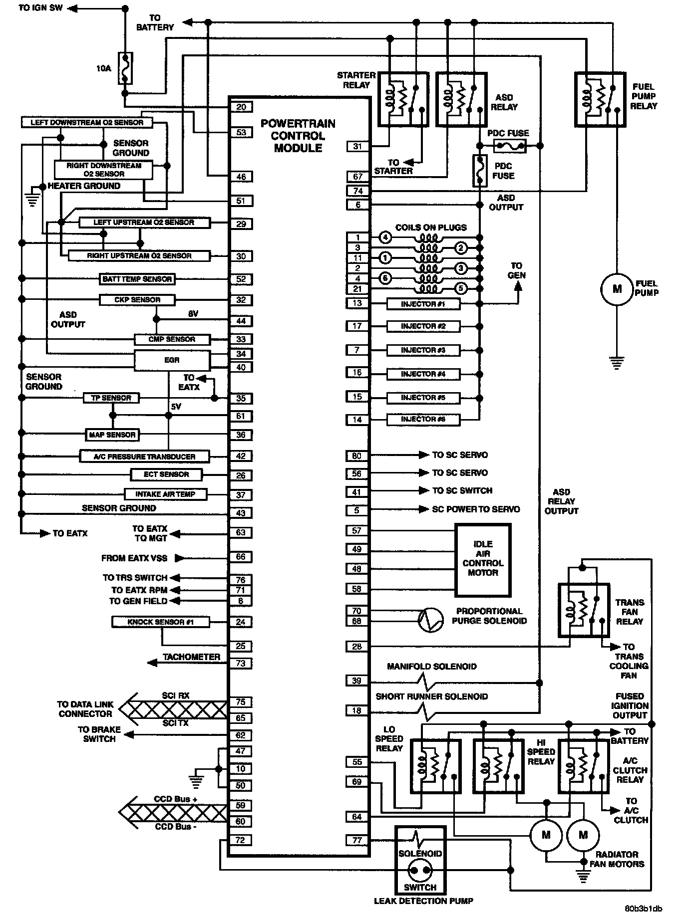
System Schematic
System Schematic
2000 PR Engine: