Curiosii for ever!: Car repair manuals for everyone.

Refrigerant Filter: Service and Repair

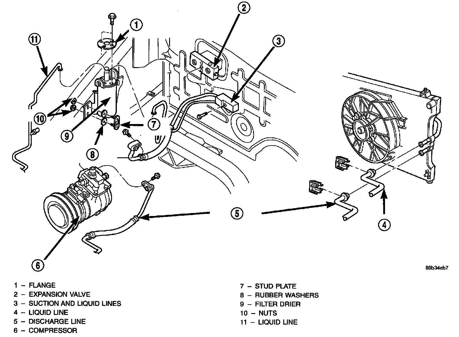
REMOVAL
1. Remove refrigerant from A/C system using a refrigerant recovery machine.
2. Remove the two flange bolts.

Suction And Liquid Lines:




3. Pull liquid and suction lines free from the filter/drier.

Filter/Drier:




4. Remove filter/drier bracket mounting nuts and fastener.
5. Cap lines while system is open to prevent moisture from entering system.

INSTALLATION

CAUTION: When installing new filter/drier do not leave open to atmosphere for a long period of time.

The filter/drier contains moisture absorbing materials which will absorb moisture in the atmosphere.

For installation, reverse the above procedures.