Curiosii for ever!
: Car repair manuals for everyone.
Home
>>
Plymouth
>>
2000
>>
Prowler V6-3.5L VIN G
>>
Repair and Diagnosis
>>
Diagrams
>>
Electrical Diagrams
>>
Transmission Control Systems
>>
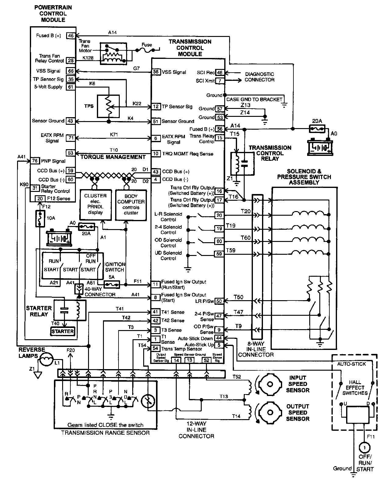
System Schematics
System Schematics
Schematic: