Curiosii for ever!: Car repair manuals for everyone.

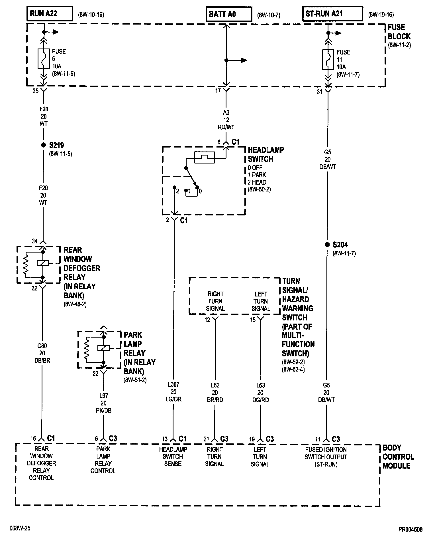
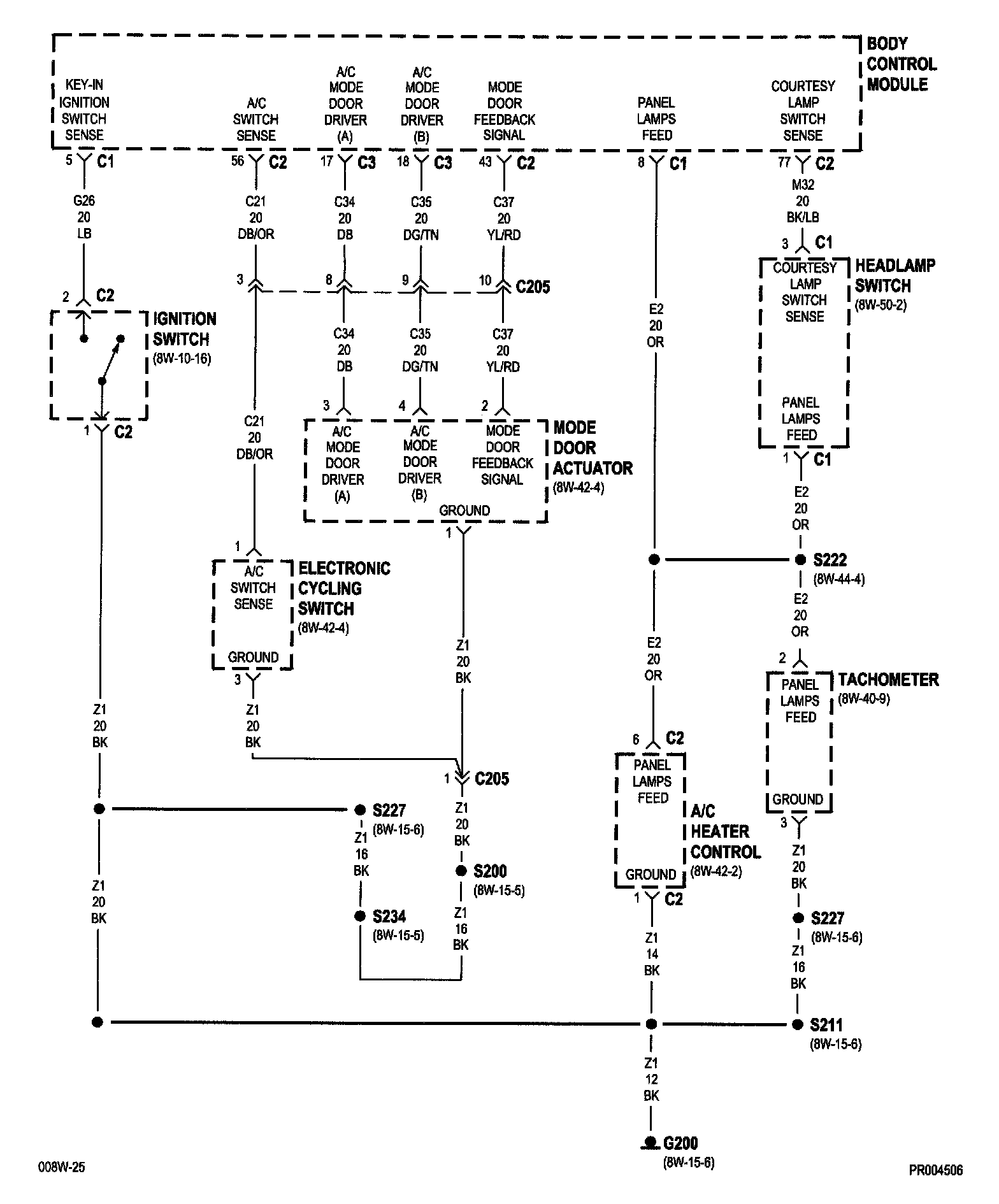
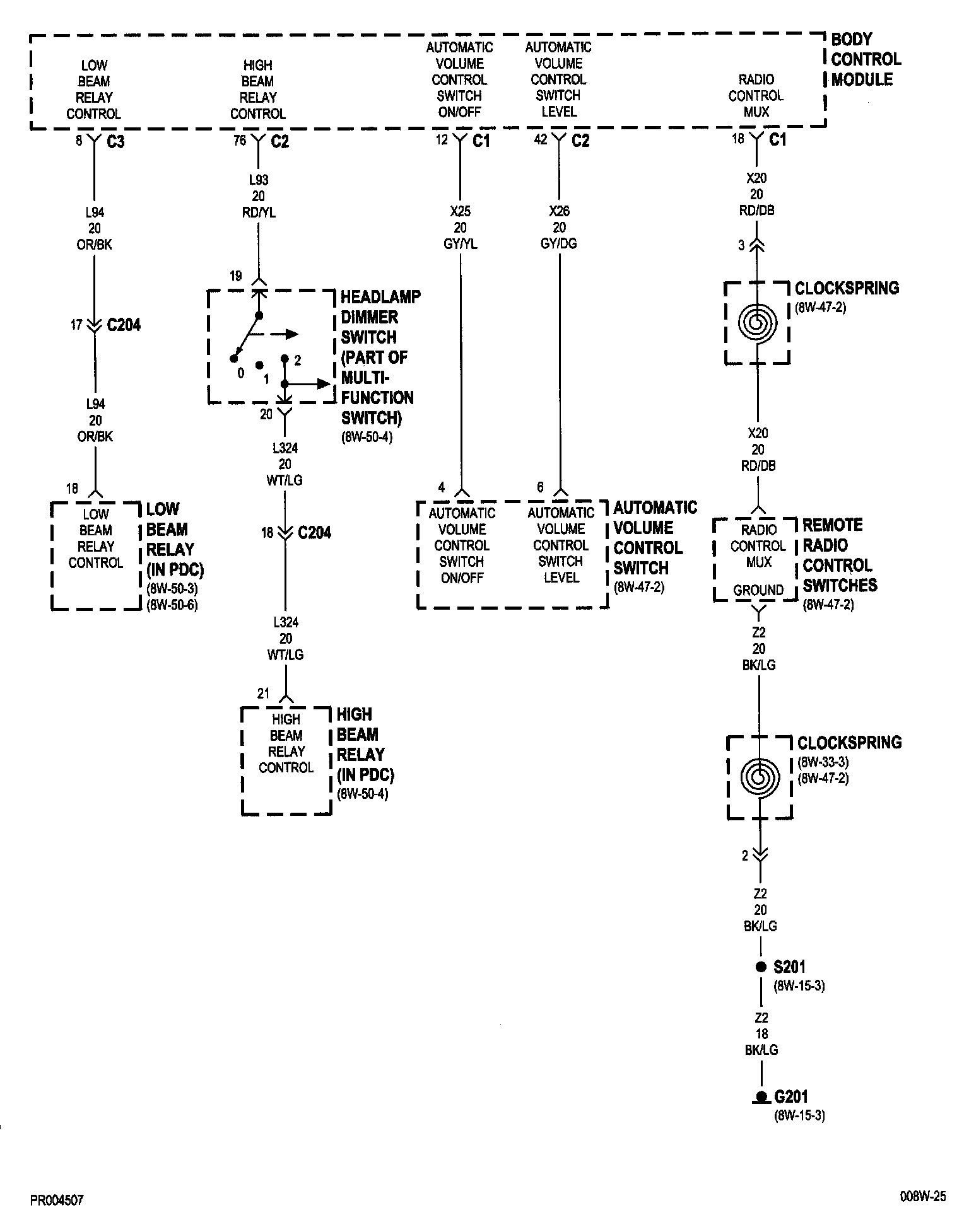
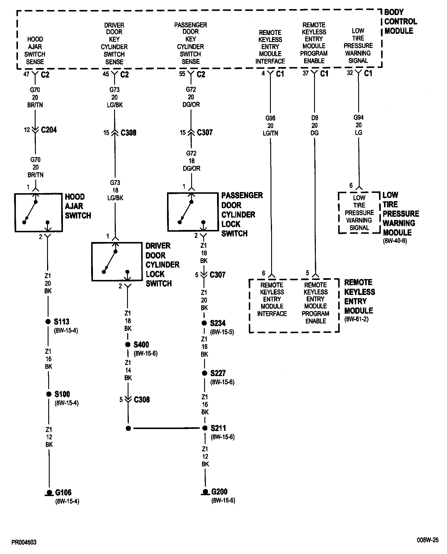
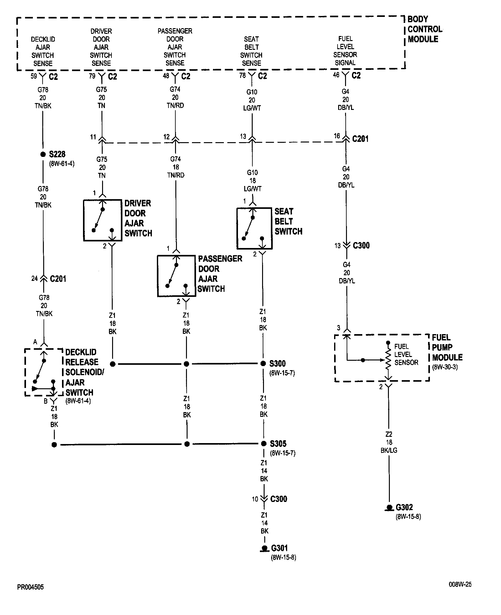
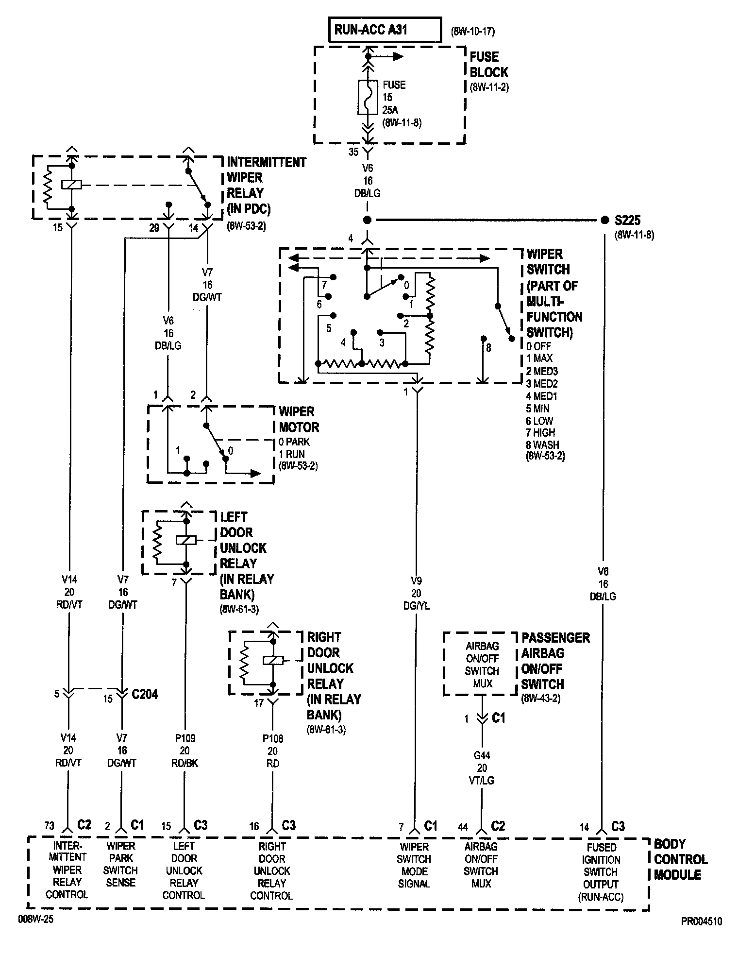
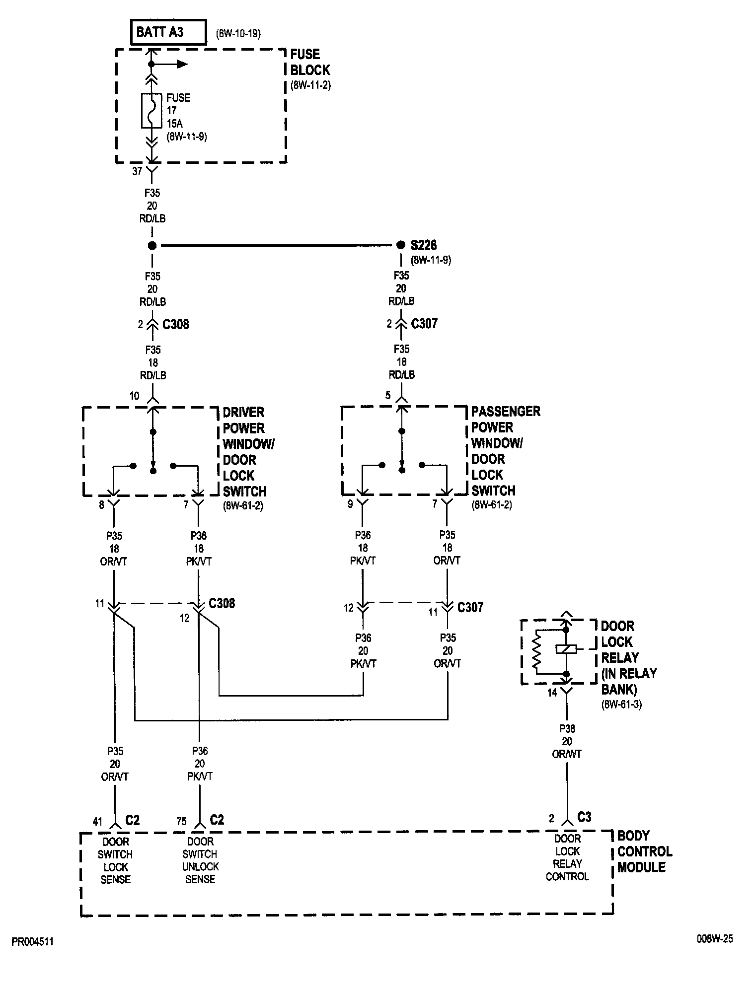
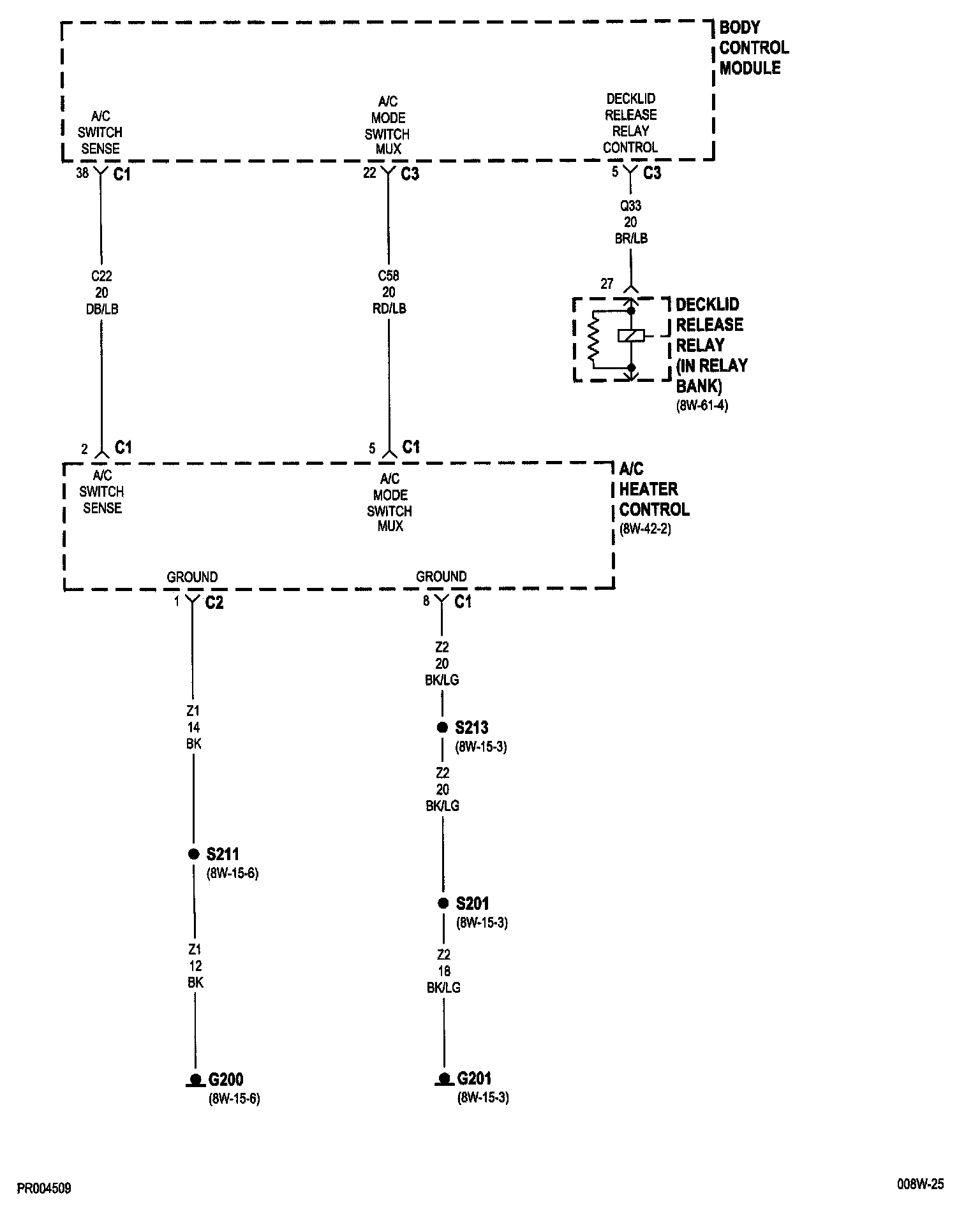
Body Control Module

Body Control Module:




Body Control Module:




8W-45-2:




8W-45-3:




8W-45-4:




8W-45-5:




8W-45-6:




8W-45-7:




8W-45-8:




8W-45-9:




8W-45-10:




8W-45-11:






NOTE: To view sheets referred to in these diagrams, see Complete Body and Chassis Diagrams.
Electrical Diagrams