Curiosii for ever!: Car repair manuals for everyone.

Wiring Diagrams

8W-45-02:




Body Control Module
Fuse 4 (FB)
Fuse 19 (FB)
Fuse Block
G200
G201
Ignition Switch
Instrument Cluster


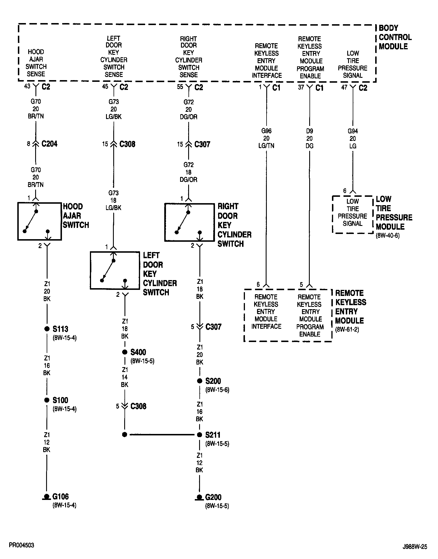
8W-45-03:




Body Control Module
G106
G200
Hood Ajar Switch
Left Door Key Cylinder Switch
Low Tire Pressure Module
Remote Keyless Entry Module
Right Door Key Cylinder Switch


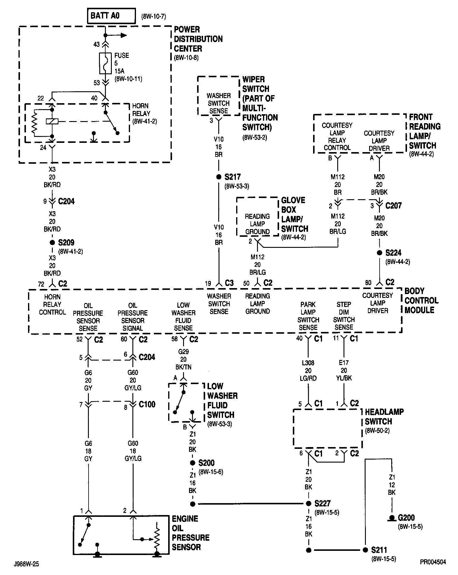
8W-45-04:




Body Control Module
Engine Oil Pressure Sensor
Front Reading Lamp/Switch
Fuse 5 (PDC)
G200
Glove Box Lamp/Switch
Headlamp Switch
Horn Relay
Low Washer Fluid Switch
Power Distribution Center
Wiper Switch


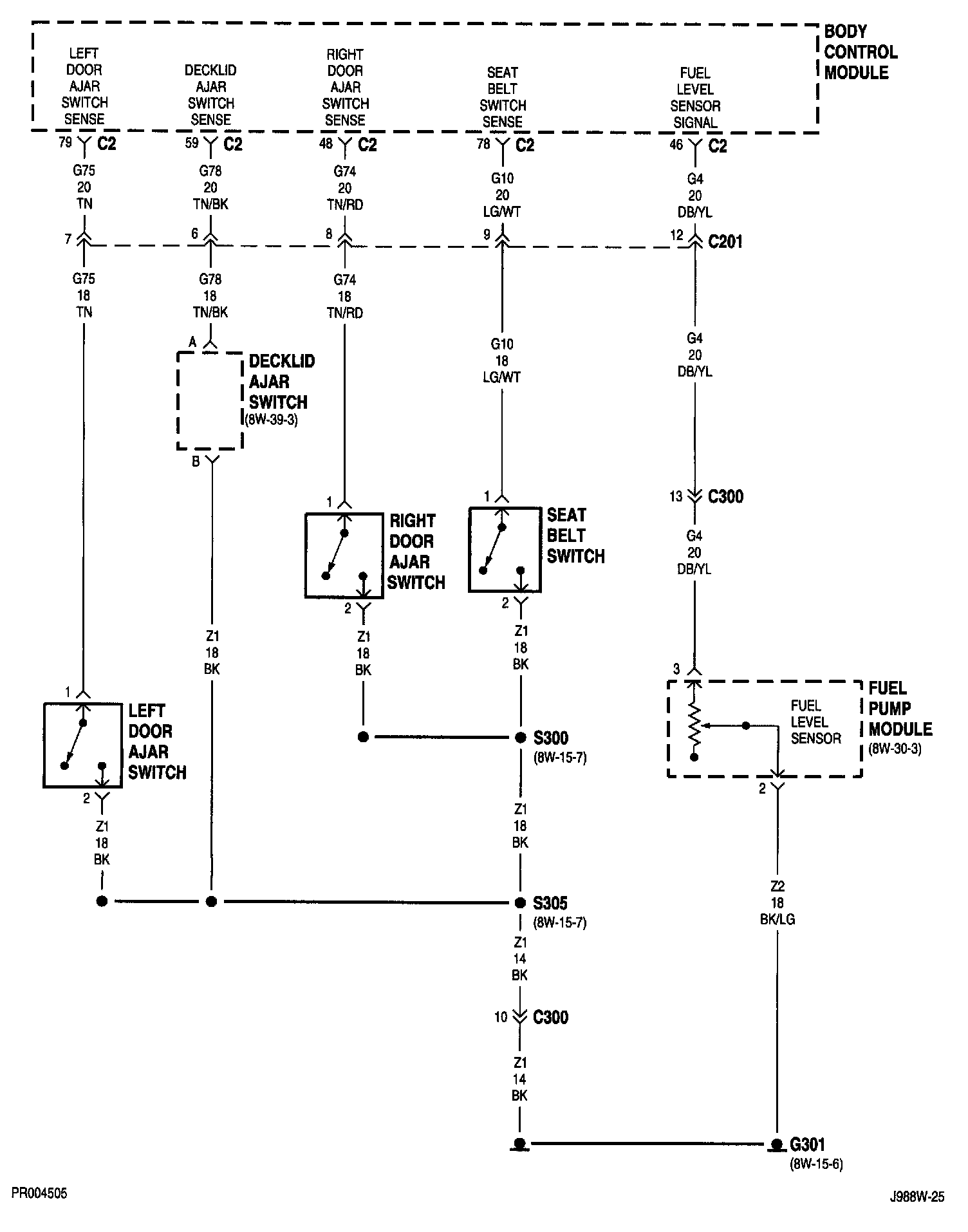
8W-45-05:




Body Control Module
Decklid Ajar Switch
Fuel Level Sensor
Fuel Pump Module
G301
Left Door Ajar Switch
Right Door Ajar Switch
Seat Belt Switch


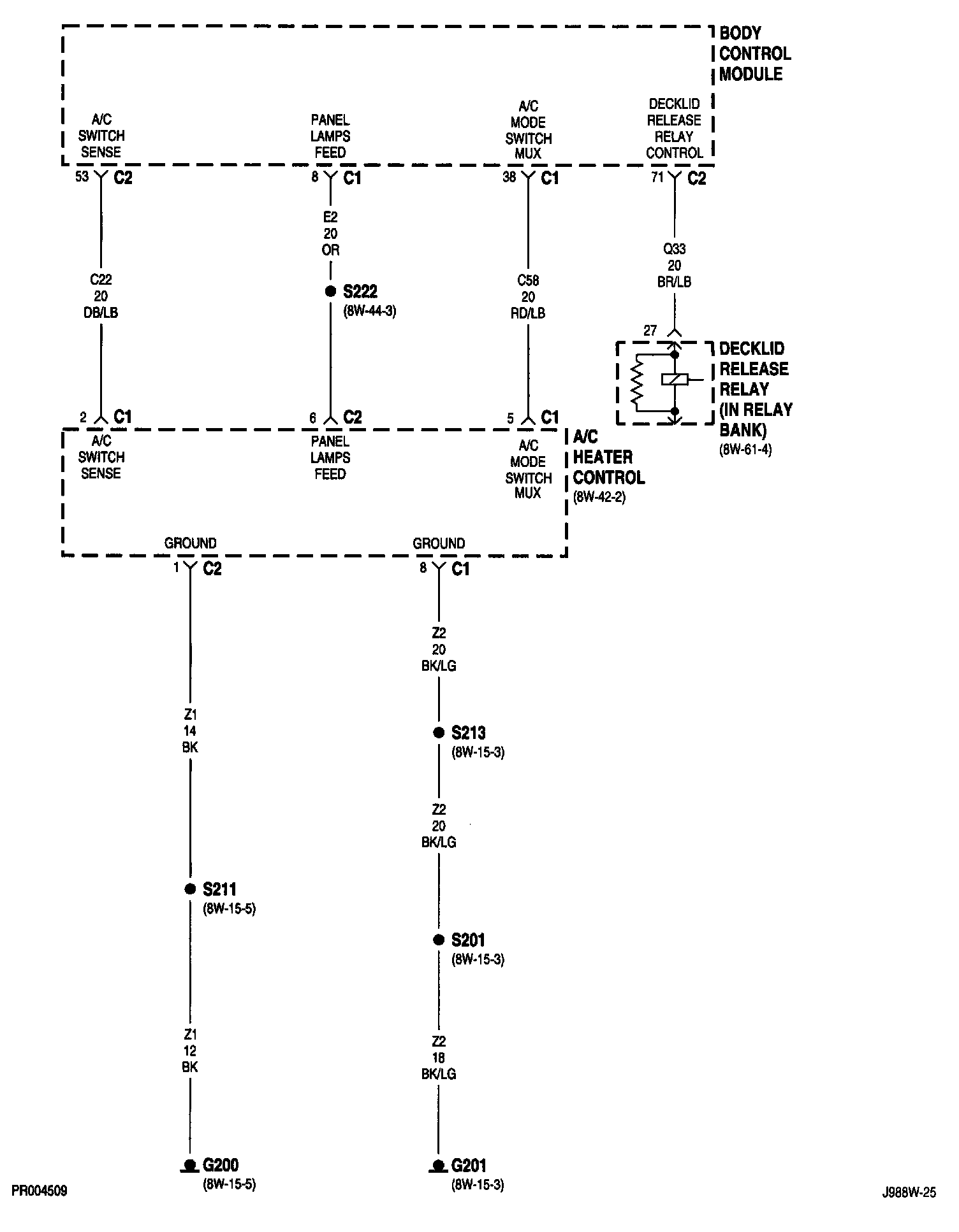
8W-45-06:




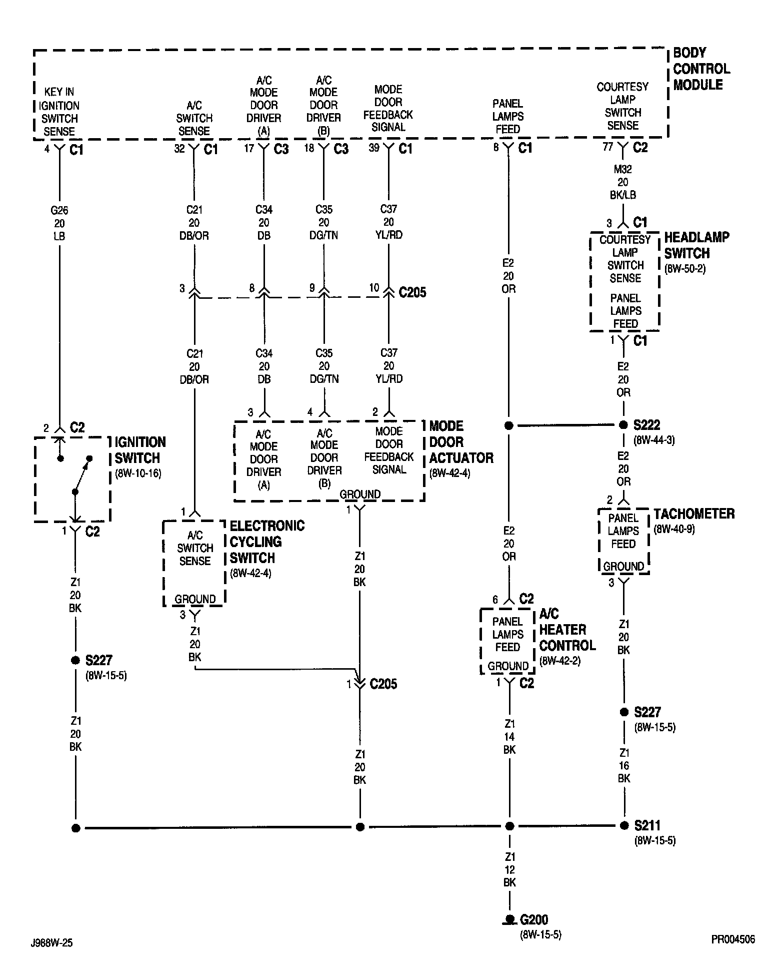
A/C Heater Control
Body Control Module
Electronic Cycling Switch
G200
Headlamp Switch
Ignition Switch
Mode Door Actuator
Tachometer


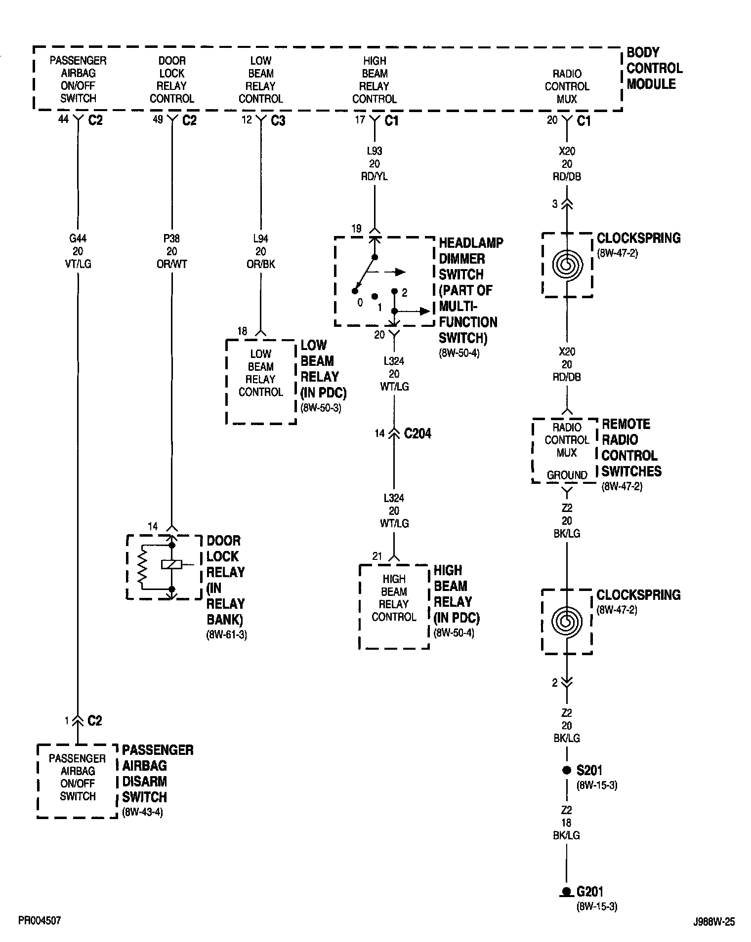
8W-45-07:




Body Control Module
Clockspring
Door Lock Relay
G201
Headlamp Dimmer Switch
High Beam Relay
Low Beam Relay
Passenger Airbag Disarm Switch
Remote Radio Control Switches


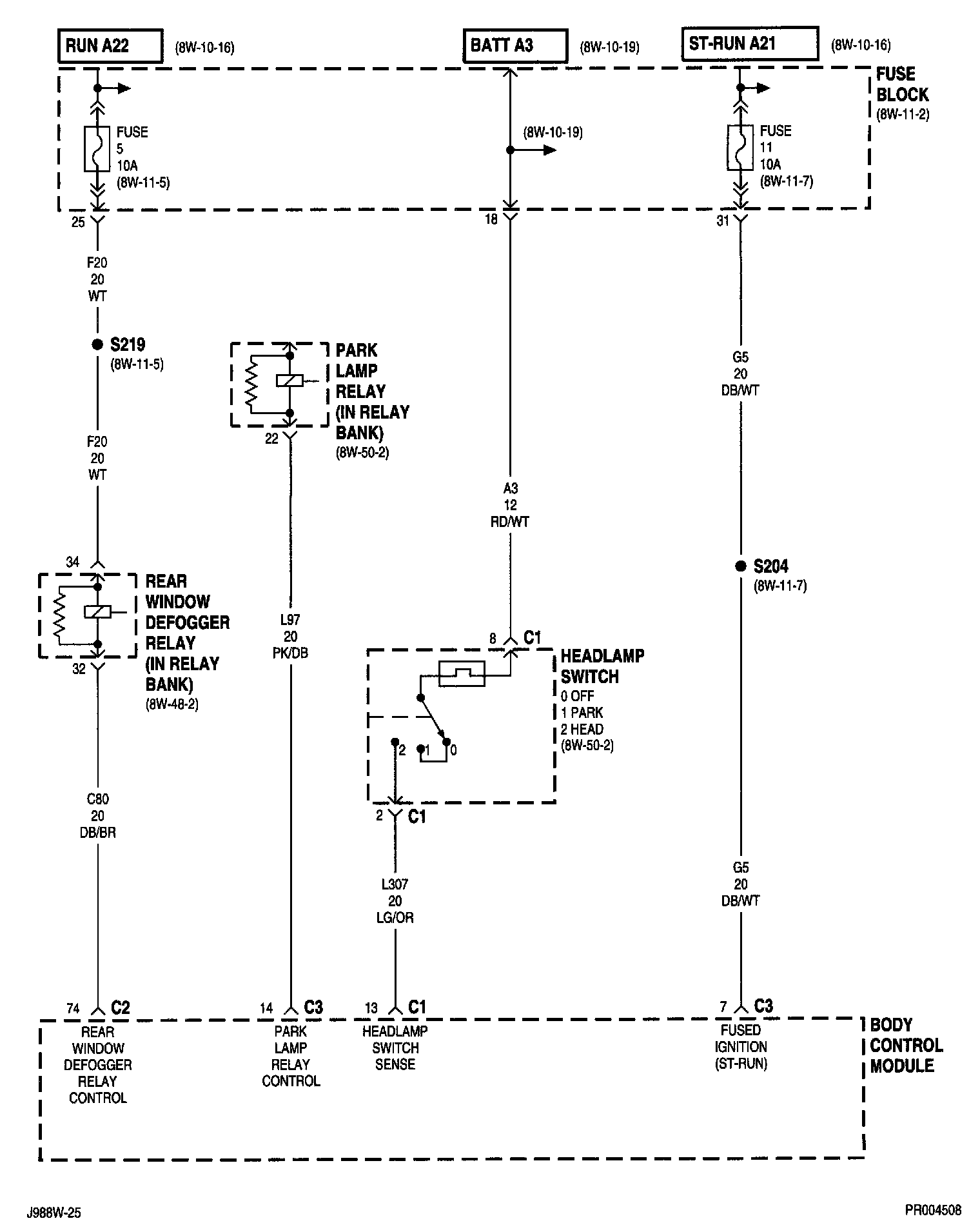
8W-45-08:




Body Control Module
Fuse 5 (FB)
Fuse 11 (FB)
Fuse Block
Headlamp Switch
Park Lamp Relay
Rear Window Defogger Relay


8W-45-09:




A/C Heater Control
Body Control Module
Decklid Release Relay
G200
G201


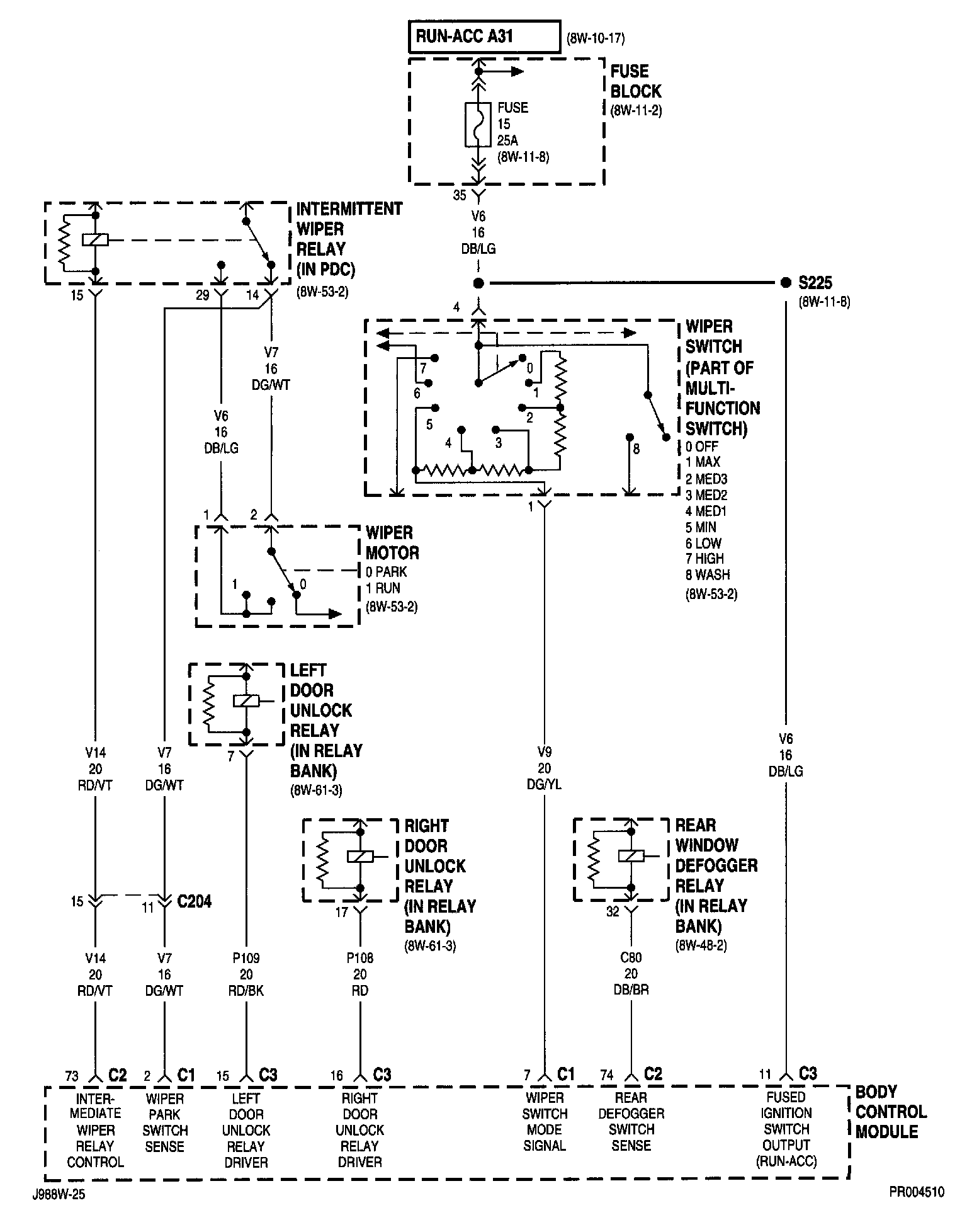
8W-45-10:




Body Control Module
Fuse 15 (FB)
Fuse Block
Intermittent Wiper Relay
Left Door Unlock Relay
Rear Window Defogger Relay
Right Door Unlock Relay
Wiper Motor
Wiper Switch


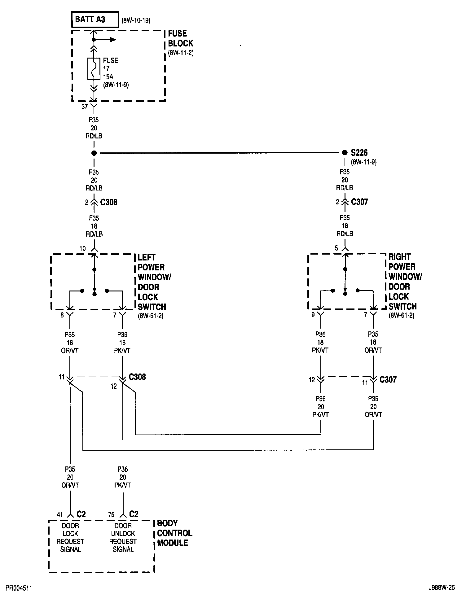
8W-45-11:




Body Control Module
Fuse 17 (FB)
Fuse Block
Left Power Window/Door Lock Switch
Right Power Window/Door Lock Switch


NOTE: To view sheets referred to in these diagrams, see Complete Body and Chassis Diagrams Diagrams By Group Number