Curiosii for ever!: Car repair manuals for everyone.

Keyless Entry: Testing and Inspection

ILLUMINATED ENTRY DIAGNOSTIC PROCEDURES
When testing the system, all doors must be closed to prevent courtesy lamps from lighting. Verify that remote keyless entry system is operating properly before testing illuminated entry circuits. The body controller uses input from the remote keyless entry system to switch ON the courtesy lamps.

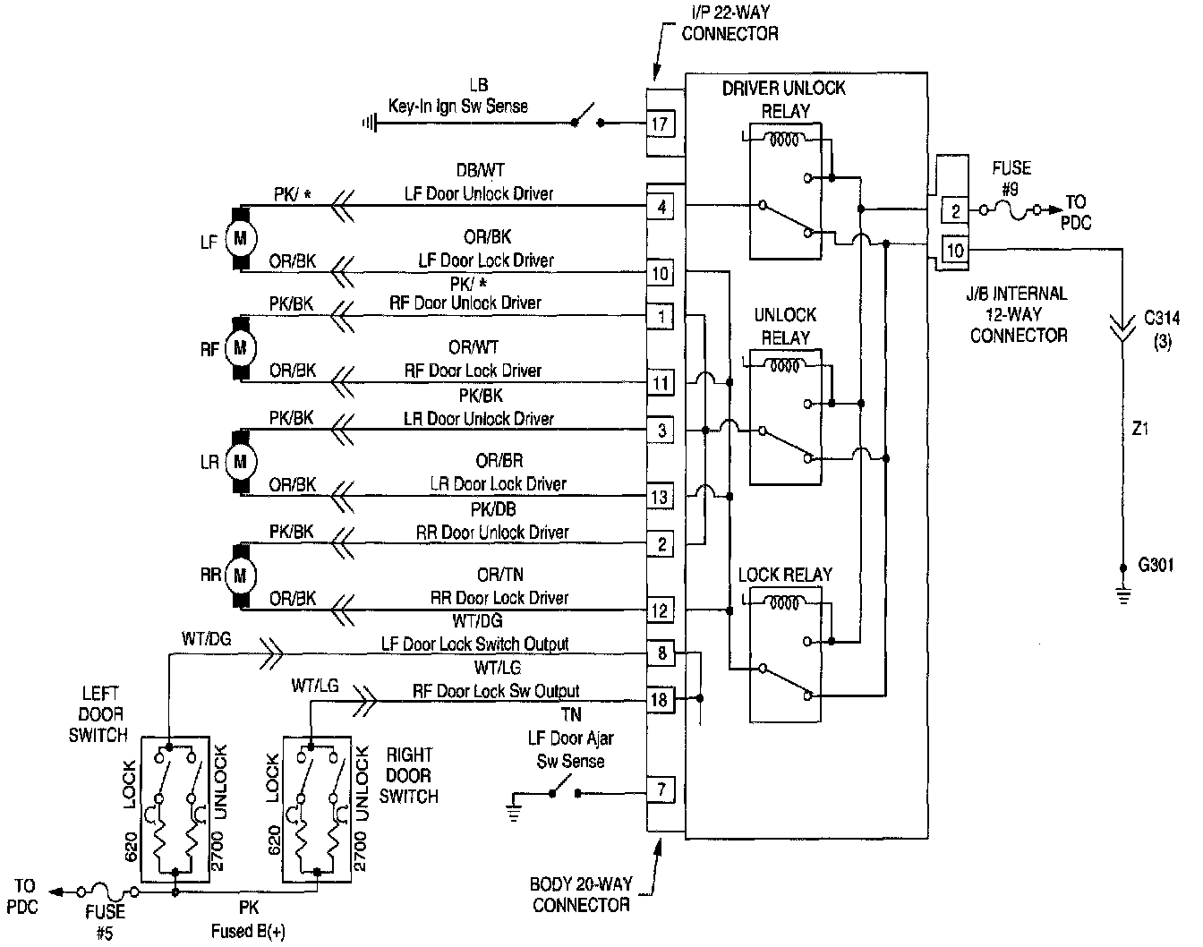
Internal BCM Lock/Unlock Relay Configuration:




DIAGNOSTIC CONDITIONS
When trouble shooting problems with the Remote Keyless Entry System, always verify that the power door lock/unlock switches are functional. If the doors do not lock/unlock with the power switches, the following modules should be analyzed: Lock/Unlock Switches, Body Control Module, and the door lock/ unlock latches. FUSE TEST

If the following modules do not work:
- Remote Keyless Entry System.
- Body Control Module
- Door lock switches

A blown fuse is the probable cause. The Body Control Module (BCM) battery feed fuse are located in the Power Distribution Center (PDC). Check fuses 4, 15 and 18 in the PDC and fuses 4, 5 and 9 in the Junction Block.

Key Fob Transmitter Will Not Lock Or Unlock Doors.
1. Check that the BCM has power and ground.
2. If the RKE still doesn't function. Check the key fob transmitter battery(s) for 3 Volts each. If less than 3 Volts, replace the battery(s).
3. If the system still does not work, replace the key fob transmitter. Refer to Programing Remote Keyless Entry Key Fob Transmitter.
4. Check country code setting in BCM. Set to U.S. or Canada.

All Doors Will Not Unlock With The Key Fob Transmitter.

BCM 20-Way Connector:




1. With the driver's door in the unlocked position. Using a voltmeter, check Pin 4 of the BCM 20 Pin connector for a voltage pulse. Press the unlock button once.
2. If no voltage pulse, replace BCM. If voltage is measured, repair the harness between the BCM and the driver door latch.
3. Check Pins 1, 2, and 3 of the BCM 20 Pin connector for quick voltage pulse when the unlock button is pressed twice within a 5 Second interval.
4. If no voltage pulse is measured at Pin 1, 2, and/or 3, replace the BCM. If voltage is measured repair the harness between terminal and door latch.

Driver Doors Will NOT Unlock With The Key Fob Transmitter, But Other Doors Unlock.
1. With the driver's door in the unlocked position. Using a voltmeter, check Pin 4 of the BCM 20 Pin connector for a voltage pulse. Depress the unlock button, the voltmeter should read battery voltage for approximately 1 second.
2. If no voltage pulse is measured, replace the BCM. If voltage is measured repair harness from BCM to the driver door latch.

Driver Door Will Unlock With The Key Fob Transmitter, But All Other Doors Will Not Unlock.
1. With the driver's door in the unlocked position. Using a voltmeter, check Pin 1, 2 and 3 of the BCM 20 Pin connector for a voltage pulse. Press the unlock button twice, within a 5 second interval.
2. If no voltage pulse is measured, replace the BCM. If voltage is measured, repair the harness to the unlock relay.

All Doors Do Not Lock With The Key Fob Transmitter.
1. Using a voltmeter, check Pins 10, 11, 12 and 13 of the BCM 20 Pin connector for a voltage pulse. Press the lock button on the key fob transmitter. Wait for quick voltage pulse. It may be necessary to press the key fob transmitter several times. The voltage pulse only appears for milliseconds.
2. If no voltage pulse is measured, replace BCM. If a voltage is measured, repair the harness to the lock relay.

Doors Will Lock With The Key Fob Transmitter But There Is No Horn CHIRP.
1. Press horn button, listen horn sound.
2. If the horn does not CHIRP, first verify at the horn is enabled using a scan tool (DRB). Then check the horn relay and the horn(s). Repair as necessary.
3. Using a voltmeter, check horn relay for voltage pulse. Press the lock button on the key fob transmitter.

CAUTION: Be careful not to short the relay terminals together. Doing so will cause BCM damage and then module replacement.

4. If no voltage pulse measured, replace the BCM. If voltage is measured, repair the Junction Block as necessary.

Unable To Program BCM With A New Key Fob Transmitter, Door Locks Will Not Cycle.
- Check BCM country code setting and refer to the proper Body Diagnostic Procedure.

Unable To Program BCM With A New Key Fob Transmitter, Door Locks Cycle. The Locks Will Not Cycle When The Transmitter Button Is Depressed.
- Refer to the proper Body Diagnostic Procedure.