Curiosii for ever!
: Car repair manuals for everyone.
Home
>>
Plymouth
>>
1997
>>
Neon L4-2.0L VIN C
>>
Repair and Diagnosis
>>
Starting and Charging
>>
Charging System
>>
Testing and Inspection
>>
Component Tests and General Diagnostics
>>
Non-Trouble Code Procedures
>>
Charging System Tests
Charging System Tests
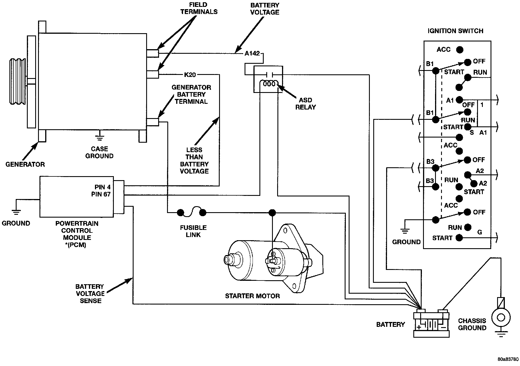
Charging System Schematic-Typical:
Charging System
Schematic-Typical
Charging System Test:
Charging System
Test
Overcharge Test:
Overcharge Test