Curiosii for ever!
: Car repair manuals for everyone.
Home
>>
Plymouth
>>
1995
>>
Neon L4-2.0L SOHC
>>
Repair and Diagnosis
>>
Locations
>>
Connector Locations
>>
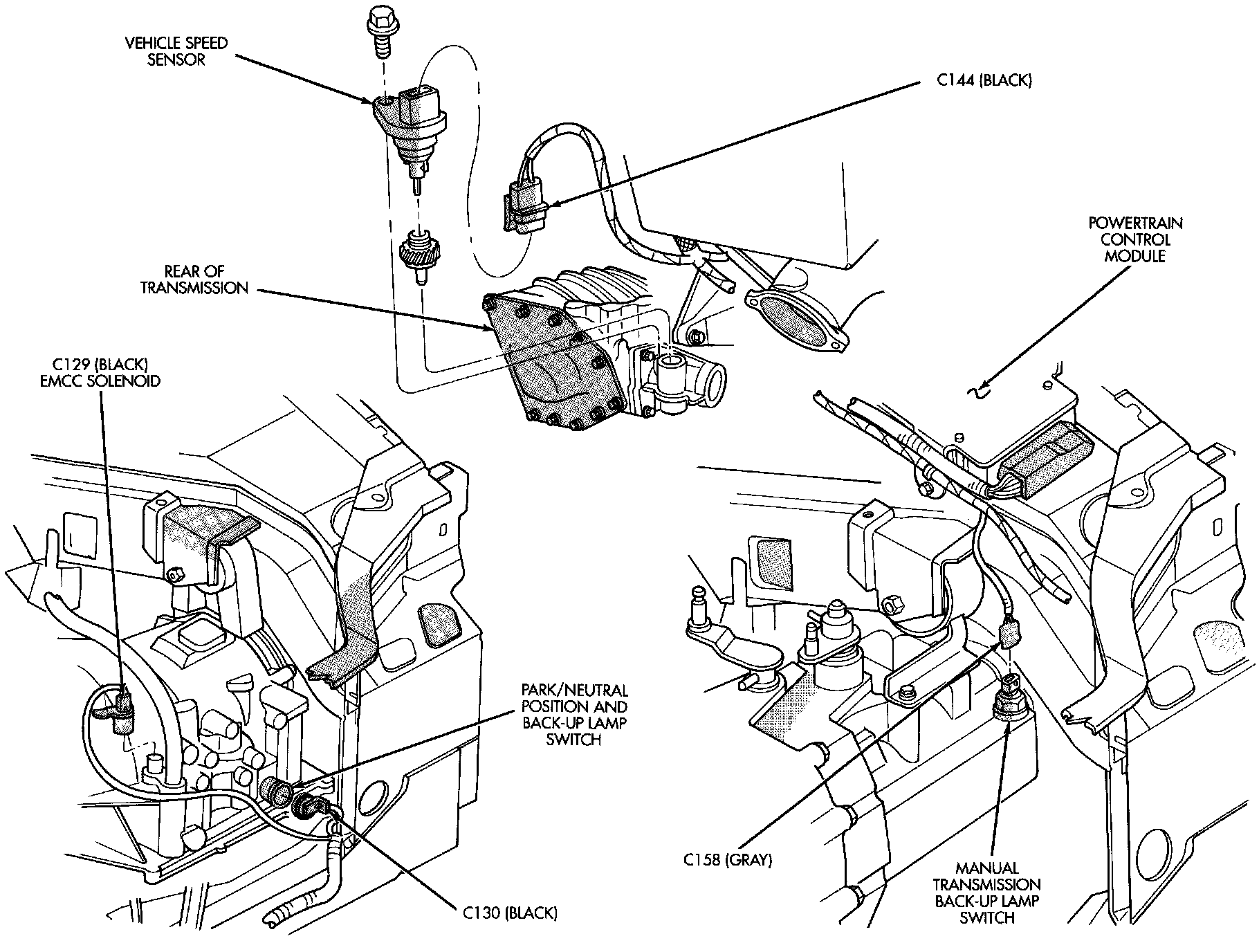
Figure 4
Figure 4
Fig.4 Transmission Connections: