Curiosii for ever!
: Car repair manuals for everyone.
Home
>>
Plymouth
>>
1995
>>
Neon L4-2.0L DOHC
>>
Repair and Diagnosis
>>
Powertrain Management
>>
Diagrams
>>
Electrical Diagrams
>>
System Schematics
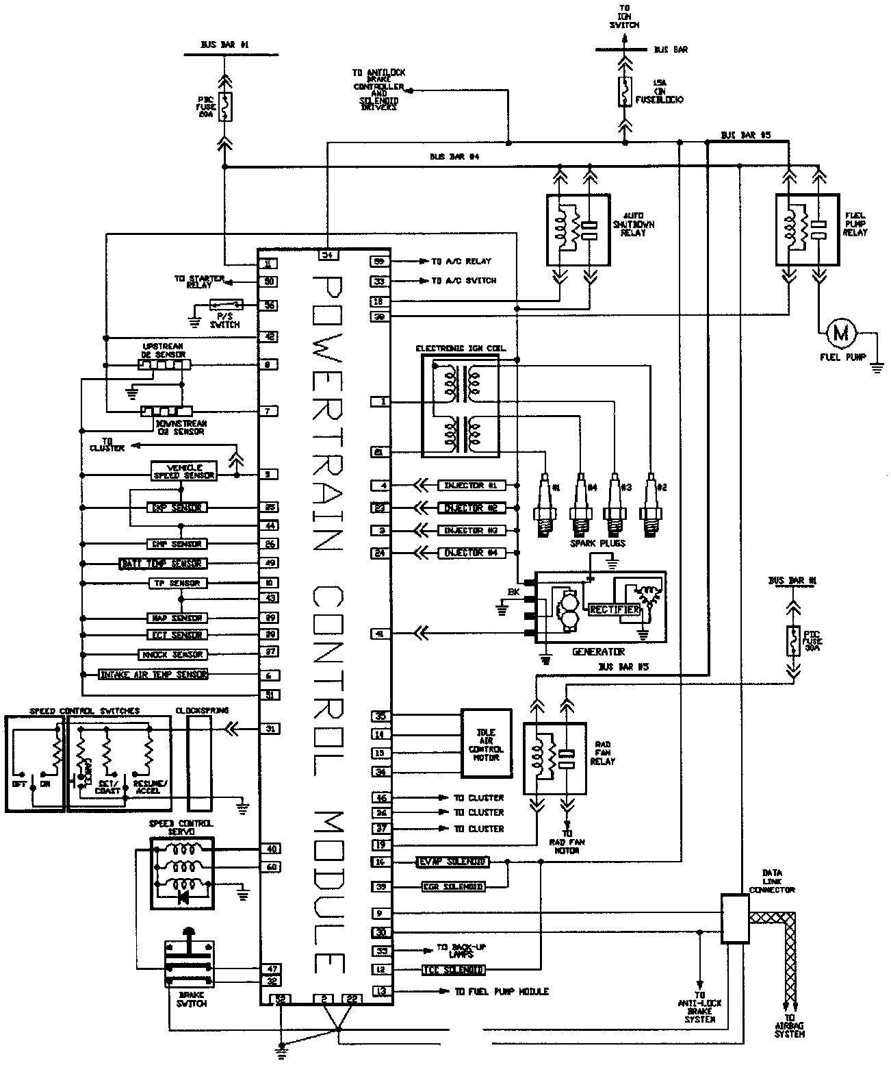
System Schematics
PCM Schematic: