Curiosii for ever!
: Car repair manuals for everyone.
Home
>>
Plymouth
>>
1993
>>
Laser FWD L4-1997cc 2.0L DOHC Turbo
>>
Repair and Diagnosis
>>
Diagrams
>>
Connector Views
>>
Powertrain Management
>>
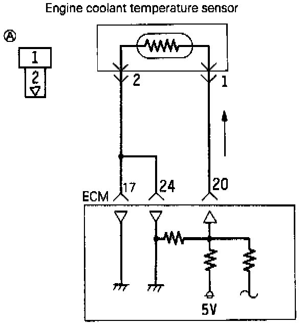
Coolant Temperature Sensor/Switch (For Computer)
Coolant Temperature Sensor/Switch (For Computer)