Curiosii for ever!
: Car repair manuals for everyone.
Home
>>
Plymouth
>>
1993
>>
Laser FWD L4-1753cc 1.8L SOHC
>>
Repair and Diagnosis
>>
Diagrams
>>
Connector Views
>>
Powertrain Management
>>
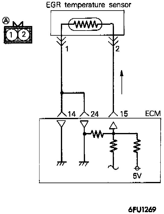
EGR Temperature Sensor
EGR Temperature Sensor