Curiosii for ever!
: Car repair manuals for everyone.
Home
>>
Plymouth
>>
1990
>>
Colt L4-1753cc 1.8L SOHC
>>
Repair and Diagnosis
>>
Powertrain Management
>>
Ignition System
>>
Diagrams
>>
Electrical Diagrams
>>
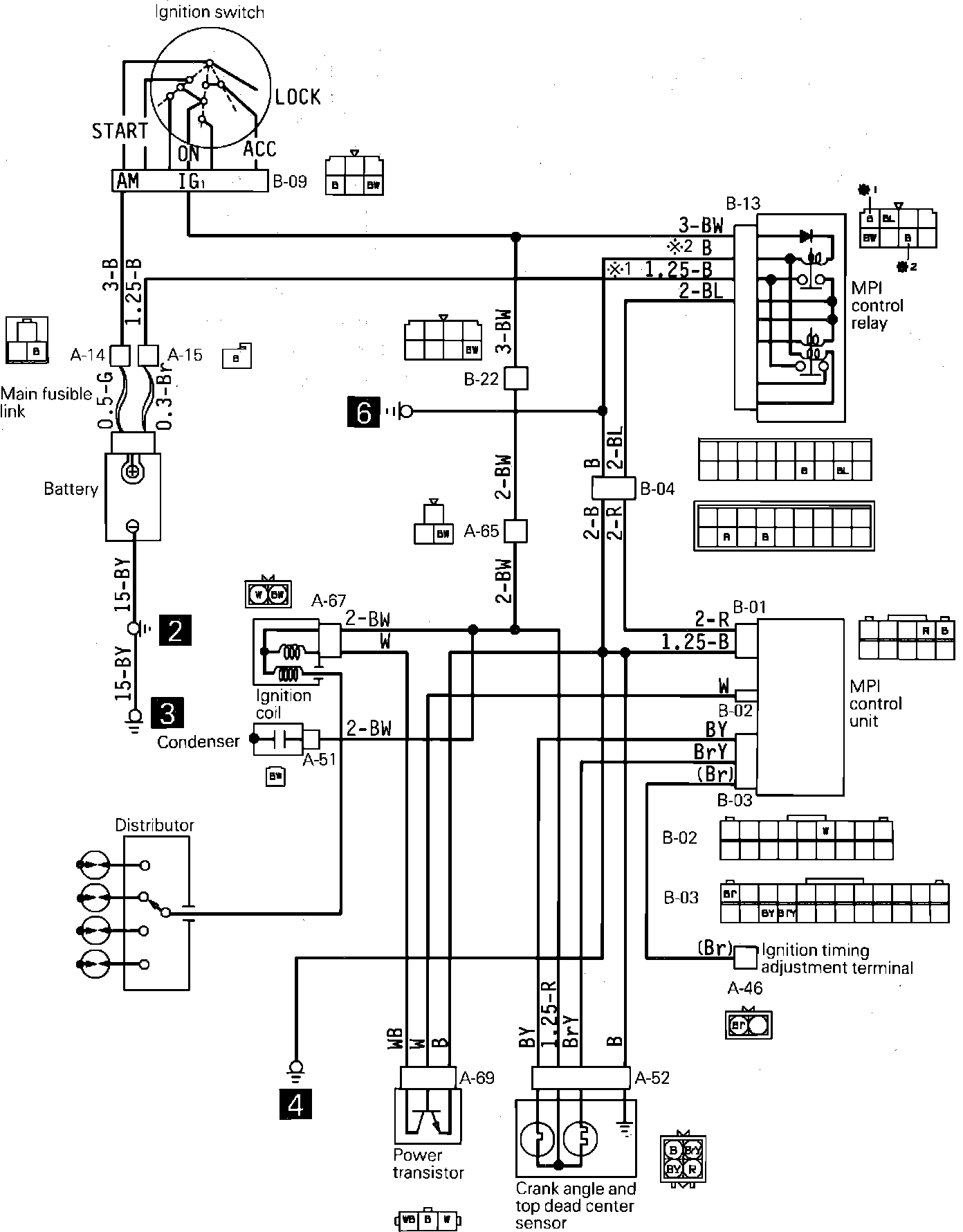
Ignition Switch/System
Ignition Switch/System
Ignition System: