Curiosii for ever!
: Car repair manuals for everyone.
Home
>>
Plymouth
>>
1988
>>
Sundance L4-135 2.2L SOHC
>>
Repair and Diagnosis
>>
Diagrams
>>
Connector Views
>>
Power and Ground Distribution
>>
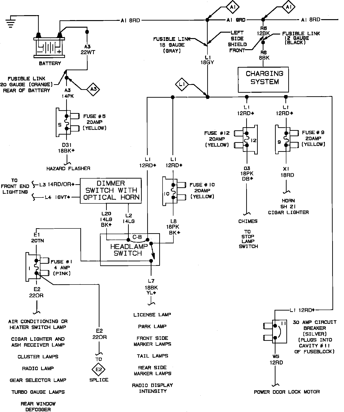
Fuse Block
Fuse Block
Fuse Panel - Left Side Under Instrument Panel, On Left Cowl:
Fuse Application Chart:
Fuse Application Chart: