Curiosii for ever!
: Car repair manuals for everyone.
Home
>>
Plymouth
>>
1985
>>
Conquest L4-2555cc 2.6L SOHC Turbo
>>
Repair and Diagnosis
>>
Heating and Air Conditioning
>>
Locations
>>
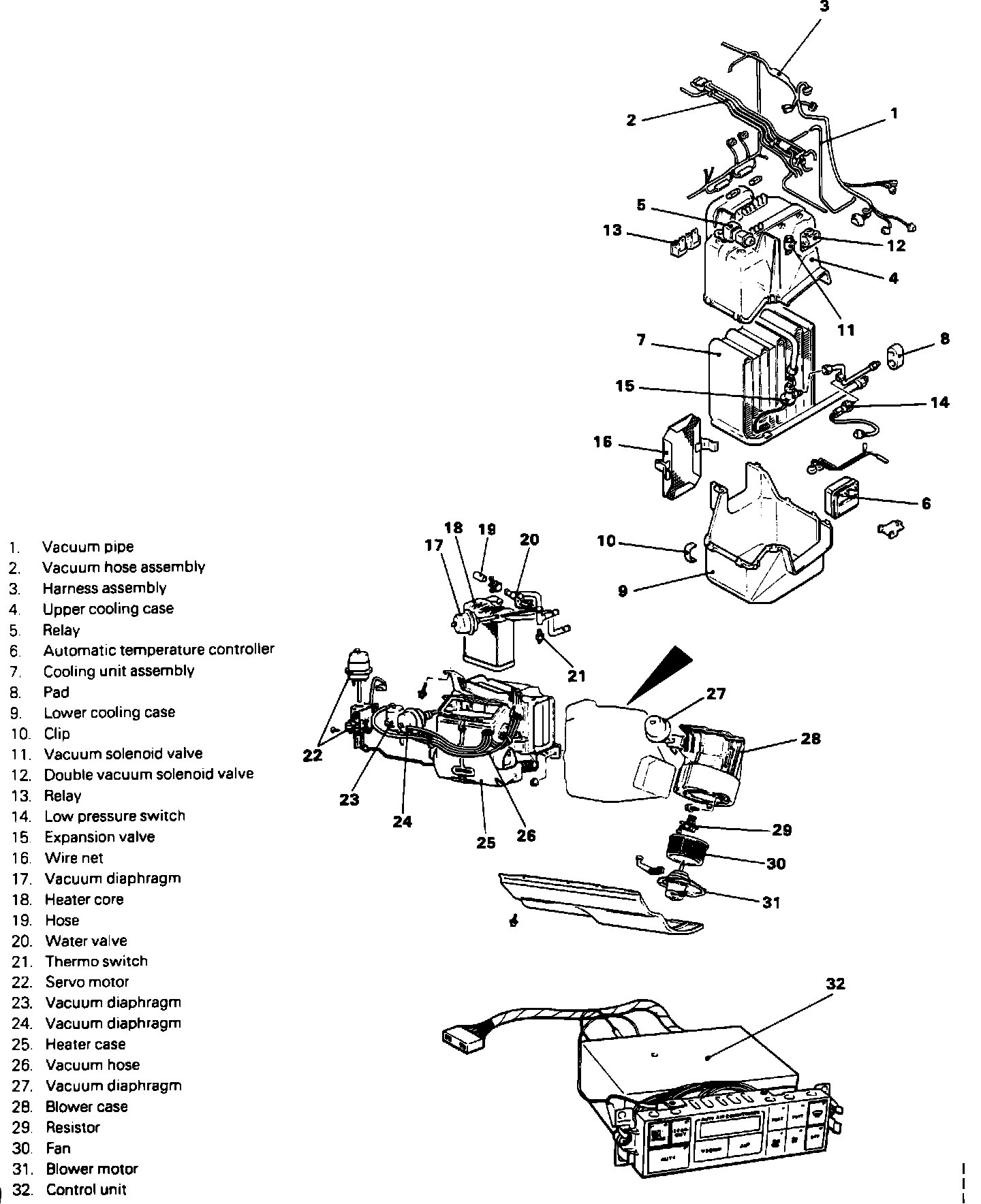
Automatic Temperature Control System (ATC)
Automatic Temperature Control System (ATC)
ATC Components:
ATC Sensor Locations: