Curiosii for ever!
: Car repair manuals for everyone.
Home
>>
Plymouth
>>
1985
>>
Conquest L4-2555cc 2.6L SOHC Turbo
>>
Repair and Diagnosis
>>
Diagrams
>>
Electrical Diagrams
>>
Active Check Module
Active Check Module
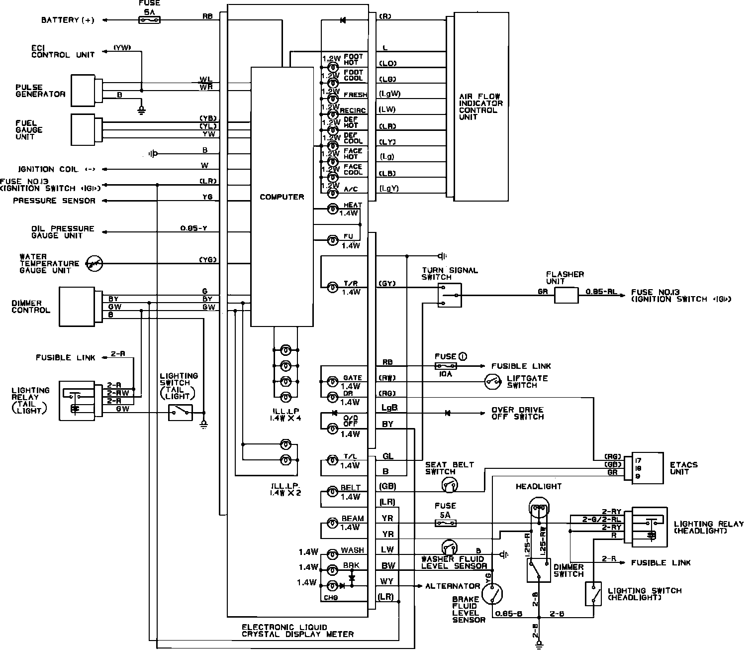
Electronic Liquid Crystal Display Meter Wiring Circuit: