Curiosii for ever!
: Car repair manuals for everyone.
Home
>>
Plymouth
>>
1985
>>
Colt L4-1468cc 1.5L SOHC
>>
Repair and Diagnosis
>>
Powertrain Management
>>
Ignition System
>>
Diagrams
>>
Electrical Diagrams
>>
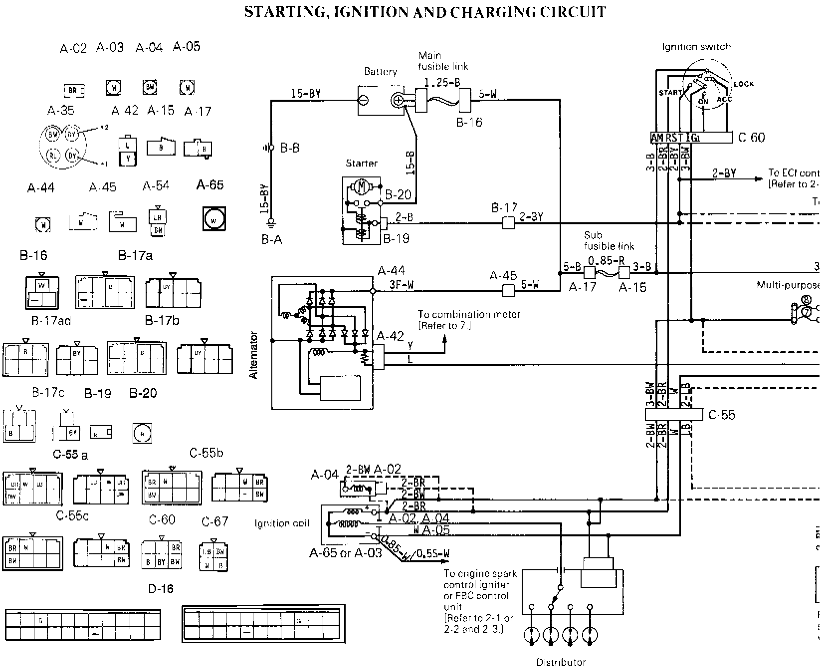
Ignition Switch/System
Ignition Switch/System
��g0: