Curiosii for ever!
: Car repair manuals for everyone.
Home
>>
Plymouth
>>
1985
>>
Caravelle L4-156 2.6L SOHC
>>
Repair and Diagnosis
>>
Powertrain Management
>>
Computers and Control Systems
>>
Sensors and Switches - Computers and Control Systems
>>
Coolant Temperature Sensor/Switch (For Computer)
>>
Locations
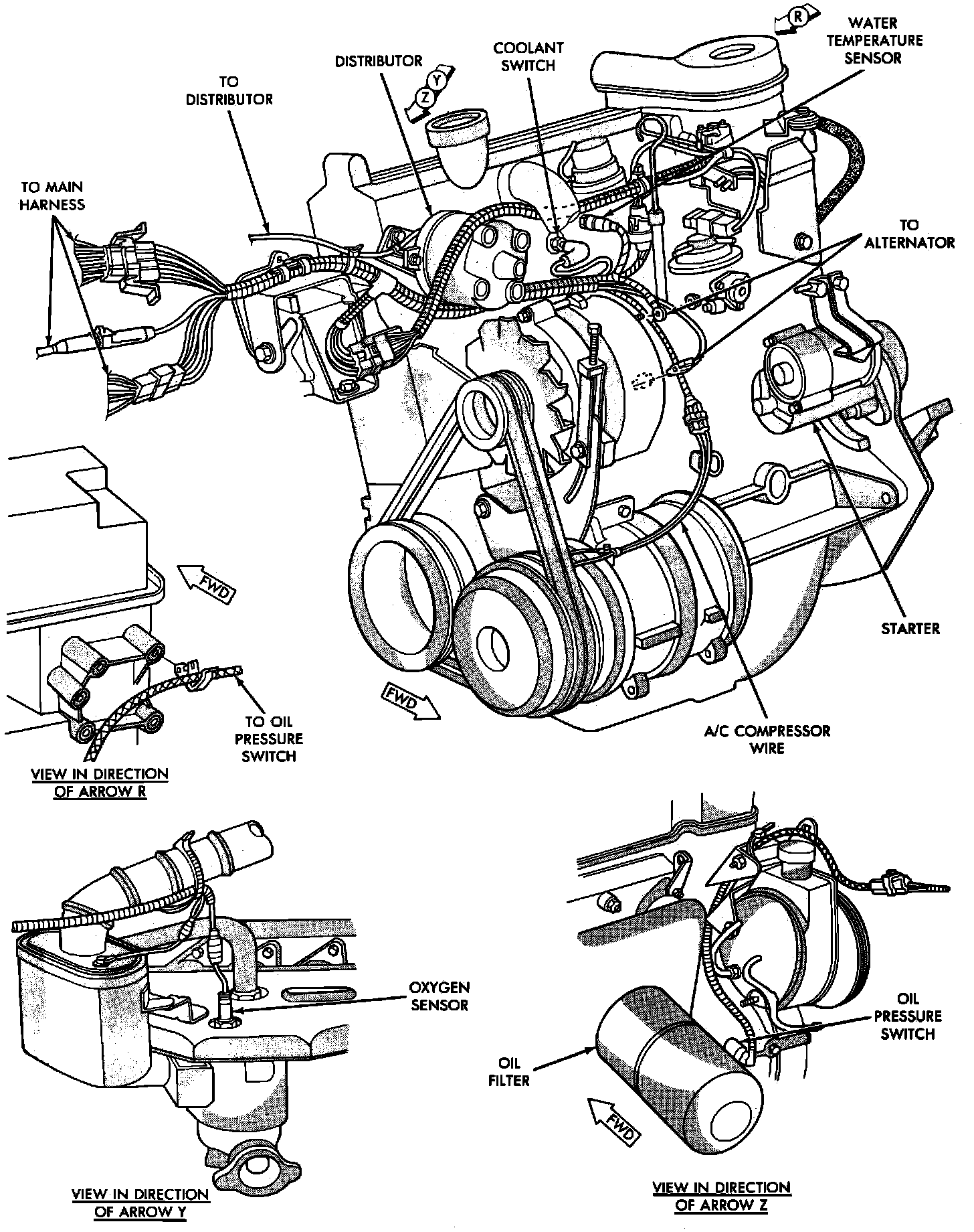
Coolant Temperature Sensor/Switch (For Computer): Locations
Engine Electrical Components.:
Front Center Of Engine
Applicable to: 1985 2.6L w/Feedback Carburetor System