Curiosii for ever!: Car repair manuals for everyone.

System Description

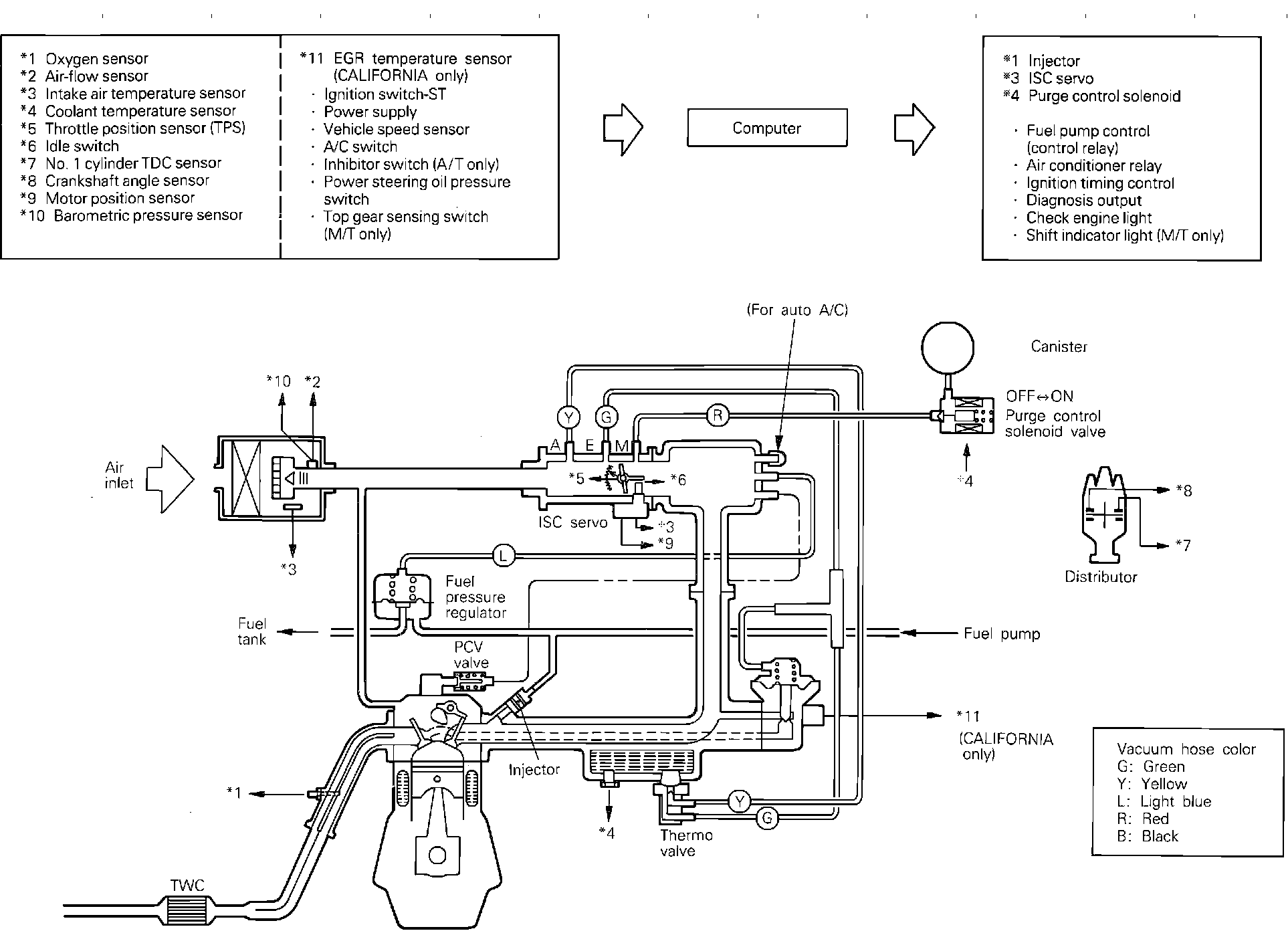
Fig. 2 Electronic Control Injection System Diagram. 1984:





The Electronically Controlled Injection System (ECI), Fig. 2 used on 1600cc and 2600cc turbocharged engines, is a computer controlled, dual point fuel injection system which provides a precise fuel/air ratio under all driving conditions. The system utilizes a pre-programmed electronic control unit (ECU), to regulate ignition timing, idle speed, emission devices and fuel/air ratio. Various sensors and switches located throughout the engine compartment provide information to the ECU. This system also incorporates a self diagnosis function which monitors various parameters for proper operation.