Curiosii for ever!
: Car repair manuals for everyone.
Home
>>
Plymouth
>>
1983
>>
Turismo L4-105 1720cc 1.7L VIN B 2-bbl
>>
Repair and Diagnosis
>>
Powertrain Management
>>
Computers and Control Systems
>>
Relays and Modules - Computers and Control Systems
>>
Electronic Spark Control Module
>>
Diagrams
>>
Electrical Diagrams
Electrical Diagrams
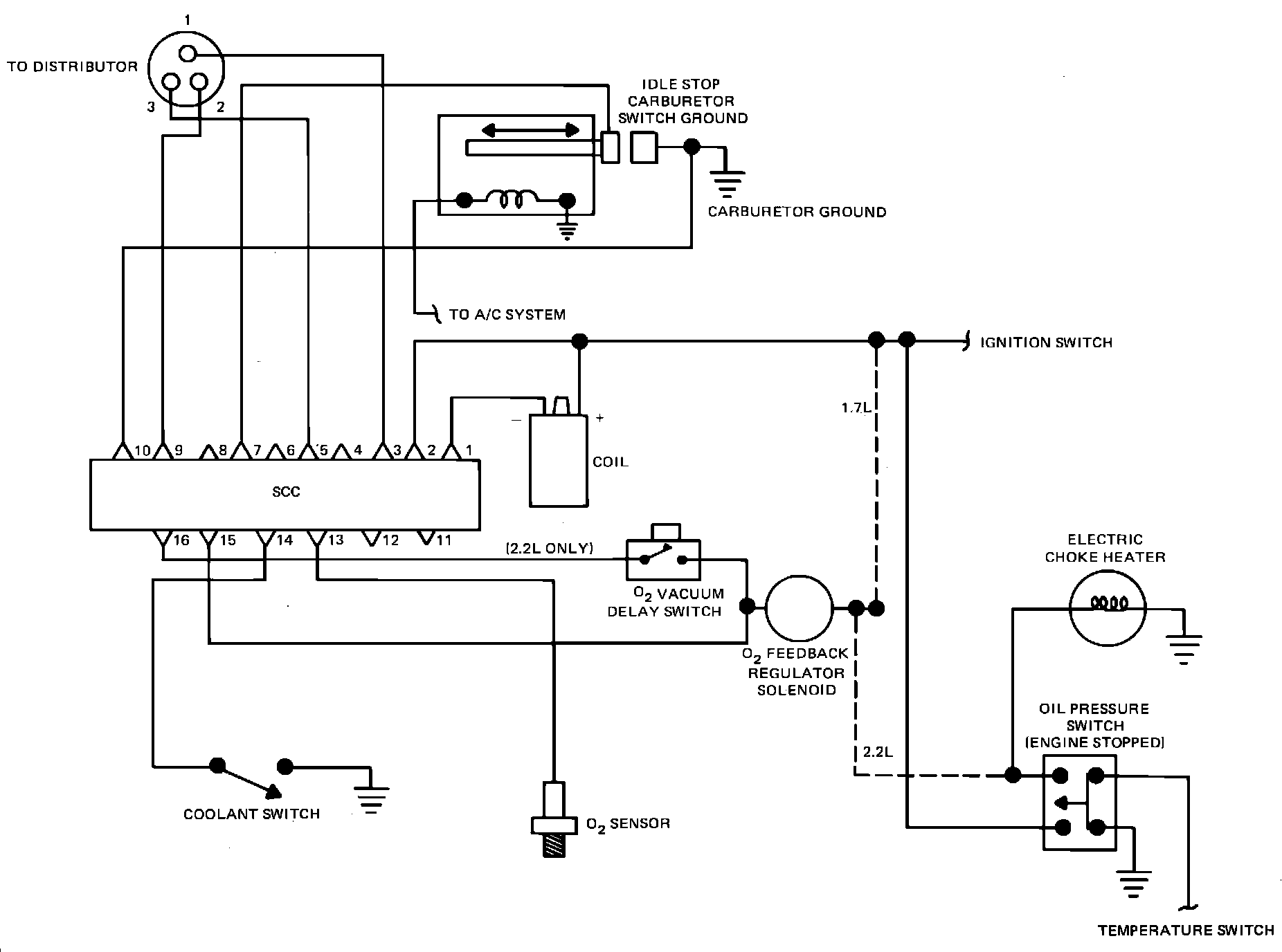
Wiring Diagram 1982-83 1.7 & 1982 2.2L Engines: