Curiosii for ever!: Car repair manuals for everyone.

Heater Core: Service and Repair

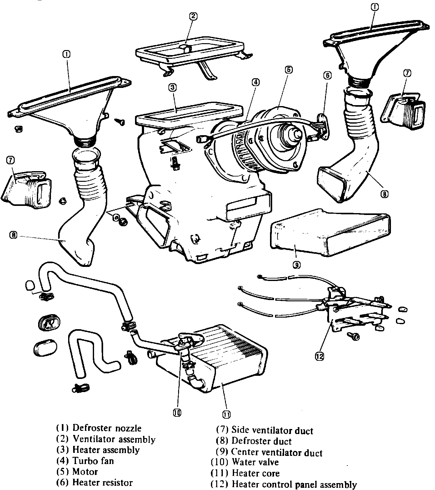
Fig. 23 Heater core & blower motor. 1984-86 Ram 50:





1. Disconnect battery ground cable, then place temperature control lever in Off position and drain cooling system.
2. Remove parcel tray, center ventilation duct and grille and defroster duct.
3. Disconnect heater hoses from heater core. Plug heater core fittings to prevent coolant spillage.
4. Disconnect wire connector from blower motor.
5. Remove bolts and nuts attaching heater assembly to dash panel, then the heater assembly.
6. Remove heater core from heater assembly.
7. Reverse procedure to install.