Curiosii for ever!: Car repair manuals for everyone.

Emission Control System Schematic

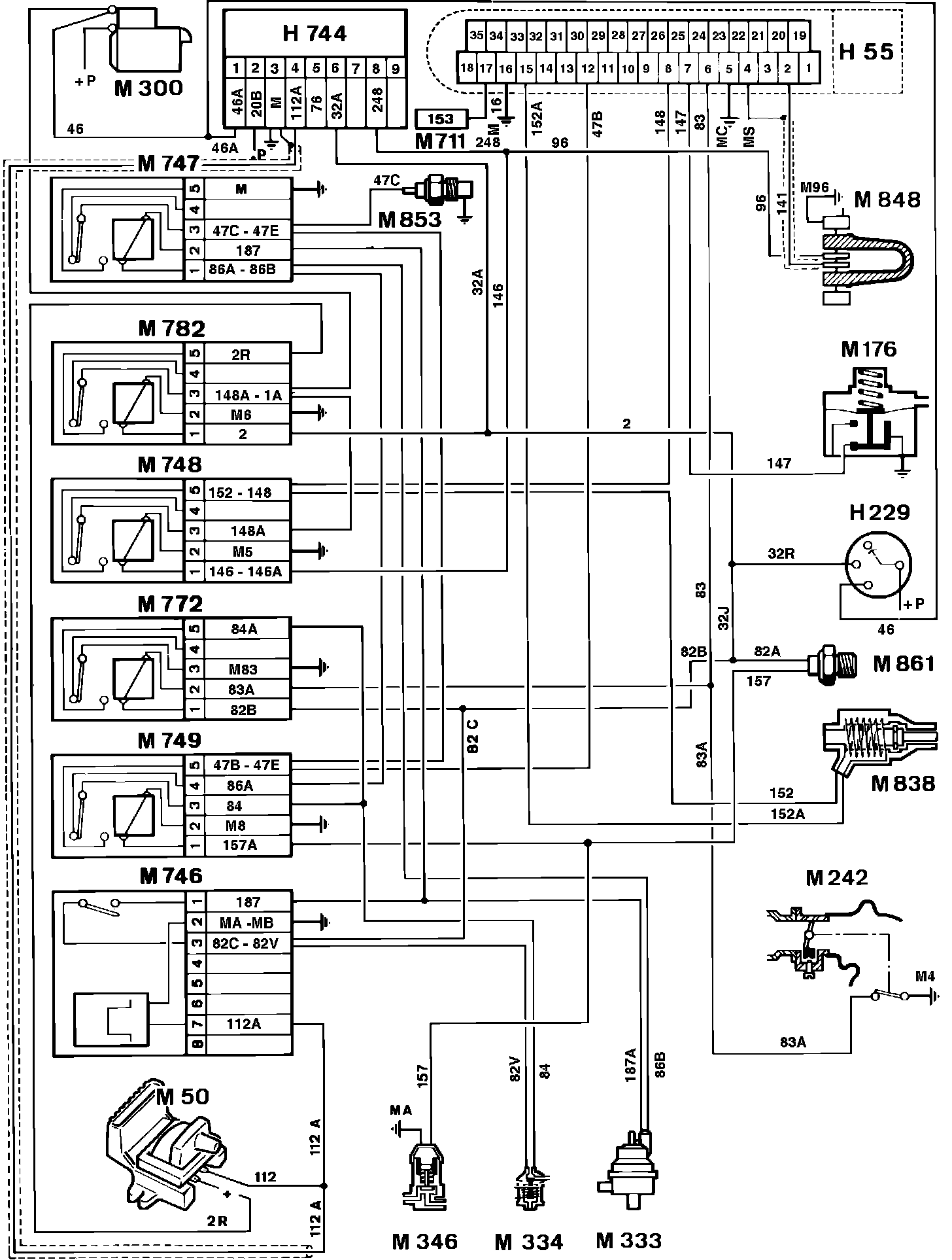
Fig. 15 Electrical schematic:






SCHEMATIC

A Delay valve (red reference)
H55 ECU
H229 Ignition/key switch
H744 Tachymetric relay (Fuel pumps)
M50 Ignition coil
M176 Vacuum switch
M242 Microswitch
M300 Starter
M333 Fuel injection cut-out on decel electrovalve
M334 Dist. vacuum advance cut-out electrovalve
M346 Fuel vapor recovery electrovalve (canister)
M711 Test lead for duty cycle meter hook up
M746 Tachymetric relay (deceleration signal)
M747 OCR relay
M748 ECU relay
M749 Cold cut-out relay
M772 Twin-speed relay
M782 Ignition relay
M838 Frequency valve
M848 Lambda sensor
M853 18°C thermocontact
M861 40°C thermocontact



Fig. 14 Underhood view:






COMPONENT LOCATION

A Delay valve (red reference)
H55 ECU
H229 Ignition/key switch
H744 Tachymetric relay (Fuel pumps)
M50 Ignition coil
M176 Vacuum switch
M242 Microswitch
M300 Starter
M333 Fuel injection cut-out on decel electrovalve
M334 Dist. vacuum advance cut-out electrovalve
M346 Fuel vapor recovery electrovalve (canister)
M711 Test lead for duty cycle meter hook up
M746 Tachymetric relay (deceleration signal)
M747 OCR relay
M748 ECU relay
M749 Cold cut-out relay
M772 Twin-speed relay
M782 Ignition relay
M838 Frequency valve
M848 Lambda sensor
M853 18°C thermocontact
M861 40°C thermocontact