Curiosii for ever!: Car repair manuals for everyone.

Electronic Brake Control Module: Service and Repair

Electronic Brake Control Module (EBCM) Replacement
Removal Procedure





1. Turn OFF the ignition.
2. Raise the vehicle.
3. Remove the left front tire and wheel assembly.
4. Remove the left front fascia extension.
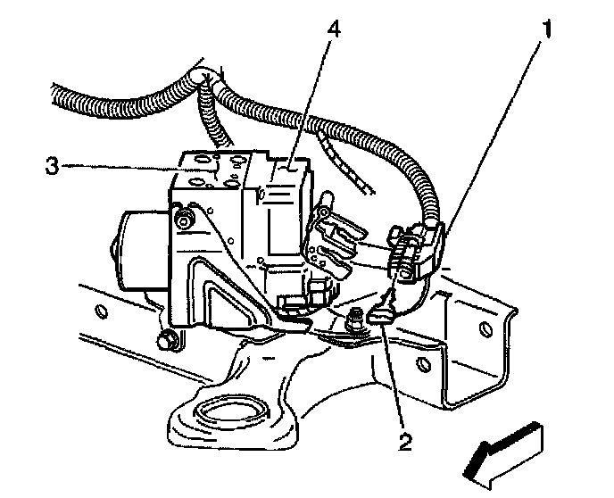
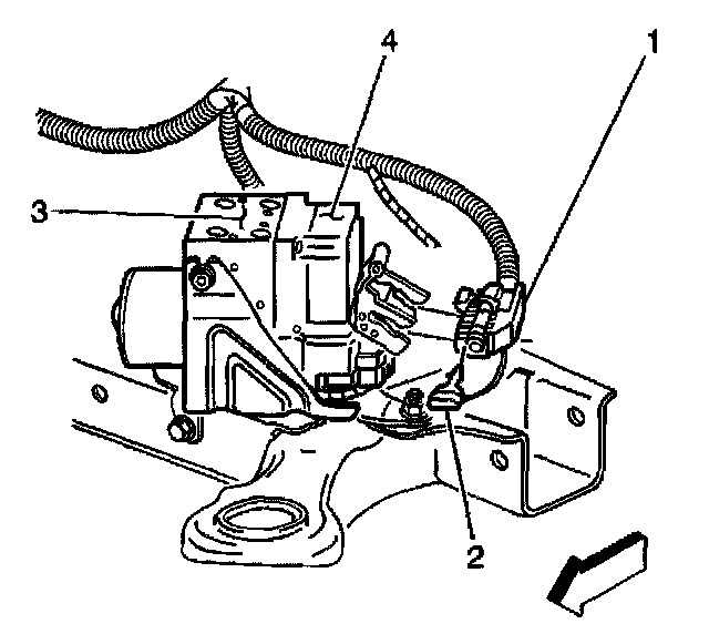
5. Remove the EBCM connector position assurance (2) from the EBCM electrical connector (1).
6. Rotate the electronic brake control module (EBCM) connector tab up to the unlocked position.

Notice: To prevent equipment damage, never connect or disconnect the wiring harness connection from the EBCM with the ignition switch in the ON position.

7. Disconnect the EBCM electrical connector (1) from the EBCM (4).





8. Disconnect the brake pressure modulator valve (BPMV) electrical connector (2) from the EBCM (3).





9. Remove the 6 EBCM to BPMV screws (2).





10. Clean the surface of the EBCM/BPMV assembly.

Important: The EBCM cannot be repaired. If faulty, the unit must be replaced.

11. Separate the EBCM (2) from the BPMV (1).

Installation Procedure





1. Clean the seal surface of the brake pressure modulator valve (BPMV).
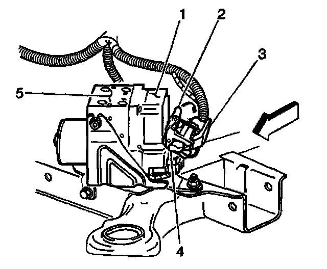
2. Install the electronic brake control module (EBCM) (2) to the BPMV (1).

Notice: Refer to Fastener Notice in Service Precautions.





3. Install the 6 EBCM to BPMV screws (2).
^ Tighten the 6 screws to 3.2 Nm (28 inch lbs.).





4. Connect the BPMV electrical connector (2) to the EBCM (3).

Notice: To prevent equipment damage, never connect or disconnect the wiring harness connection from the EBCM with the ignition switch in the ON position.





5. Connect the EBCM electrical connector (1) to the EBCM (4).
6. Rotate the EBCM connector tab (2) down to the locked position.
7. Install the EBCM connector position assurance (4) to the EBCM electrical connector (2).





8. Install the left front fascia extension.
9. Install the left front tire and wheel assembly.
10. Lower the vehicle.

Important: An unprogrammed EBCM will result in the following conditions:
^ Inoperative or poorly functioning DRP/ABS/TCS/VSES/TIM/VES if equipped.
^ Turn on the Red Brake Warning Indicator On
^ The EBCM will Malfunction Internally

11. If a replacement EBCM is being installed, it must be programmed using the latest software matching the vehicle.
12. Use the scan tool in order to clear the DTCs.
13. Perform the Auto Bleed Procedure.
14. Perform the ABS Diagnostic System Check. Refer to Diagnostic System Check - ABS.