Curiosii for ever!
: Car repair manuals for everyone.
Home
>>
Oldsmobile
>>
2003
>>
Aurora V8-4.0L VIN C
>>
Repair and Diagnosis
>>
Powertrain Management
>>
Computers and Control Systems
>>
Relays and Modules - Computers and Control Systems
>>
Body Control Module
>>
Locations
Body Control Module: Locations
Left Interior:
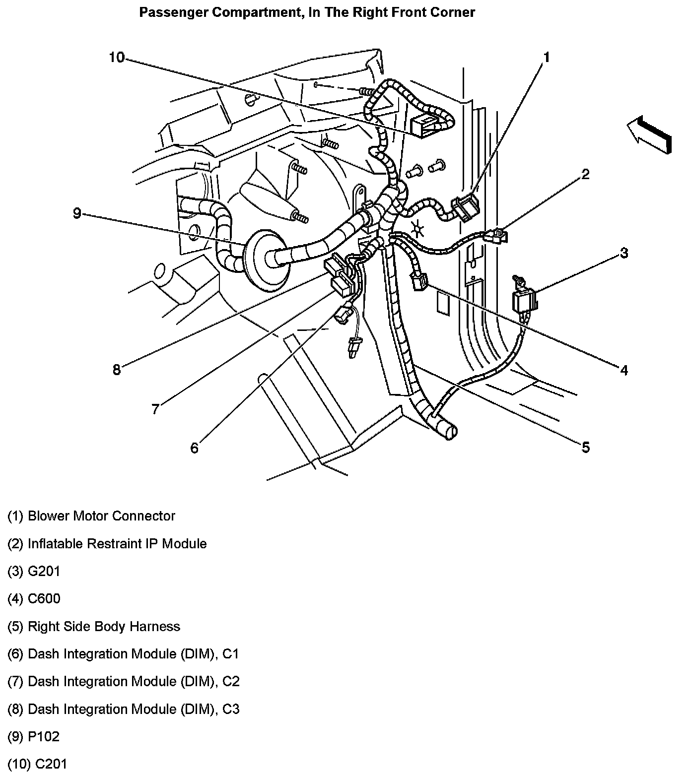
Passenger Compartment, In The Right Front Corner:
Behind The Rear Seat Back Left Side:
Body Control Components: