Curiosii for ever!: Car repair manuals for everyone.

Compressor Replacement (With RPO Code L47)

COMPRESSOR REPLACEMENT (WITH RPO CODE L47)

TOOLS REQUIRED
J 39400-A Halogen Leak Detector

REMOVAL PROCEDURE
1. Recover the refrigerant.
2. Remove the drive belt.
3. Remove the right front tire and wheel assembly.
4. Remove the front air deflector.
5. Remove the washer bottle.
6. Disconnect the brake line retaining clips from frame in order to allow the brake lines to move during removal of the A/C compressor.




7. Disconnect the suction hose fitting from the compressor.

IMPORTANT:
- Seal the A/C compressor suction and discharge ports after the hoses are removed in order to keep the A/C compressor oil from draining out of the compressor during removal.
- All A/C lines, hoses and components should be sealed after removal in order to avoid excessive moisture contamination to the A/C system during servicing.




8. Disconnect the discharge hose fitting from the compressor.




9. Disconnect the compressor electrical connector.




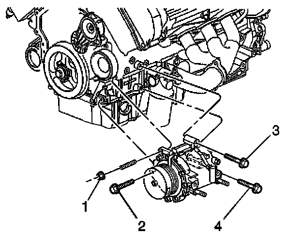
10. Remove the rear compressor mounting fasteners (3, 4).
11. Remove the lower generator mounting bolt.
12. Remove the front compressor mounting fasteners (1, 2).




13. Remove the A/C compressor mounting stud (1).




14. Rotate the compressor, in order to allow the A/C compressor to exit through the wheelhouse opening.
15. Remove the compressor from the vehicle.

INSTALLATION PROCEDURE
1. Balance the compressor oil.




2. Install the A/C compressor through the wheelhouse opening.




3. Position the A/C compressor (2) on the mounting surface.
4. Install the A/C compressor mounting stud (1) through the appropriate compressor mounting ear.

NOTE: Refer to Fastener Notice in Service Precautions.

Tighten
Tighten the A/C compressor mounting stud to 25 N.m (18 lb ft).




5. Install the A/C compressor mounting fasteners (1, 2, 3, 4) and hand tighten.

Tighten
- Tighten the A/C compressor mounting nut (1) to 50 N.m (37 lb ft).
- Tighten the A/C compressor mounting bolts (2, 3) to 50 N.m (37 lb ft).
- Tighten the A/C compressor mounting bolt (4) to 25 N.m (18 lb ft).

1. Install the generator mounting bolt.

Tighten
Tighten the bolt to 25 N.m (18 lb ft).




2. Connect the compressor electrical connector.




3. Connect the discharge hose fitting to compressor.

IMPORTANT: Inspect the seal washers for damage before reinstalling the A/C lines and hoses. If any damage is noted during inspection, the suspect seal must be replaced. Flat washer type seals do not require lubrication.

Tighten
Tighten the discharge hose nut to 20 N.m (15 lb ft).




4. Connect the suction hose nut to the compressor

Tighten
Tighten the suction hose fitting to the compressor to 20 N.m (15 lb ft).

5. Connect the brake line retaining clips onto the frame.
6. Install the drive belt.
7. Install the washer bottle.
8. Install the front air deflector.
9. Reinstall the right front tire and wheel assembly.
10. Recharge the A/C system.
11. Leak test the fittings of the component using the J 39400-A.