Curiosii for ever!: Car repair manuals for everyone.

Cruise Control Module: Service and Repair

CRUISE CONTROL MODULE REPLACEMENT

REMOVAL PROCEDURE
1. Remove the cruise control cable from the cruise control module.




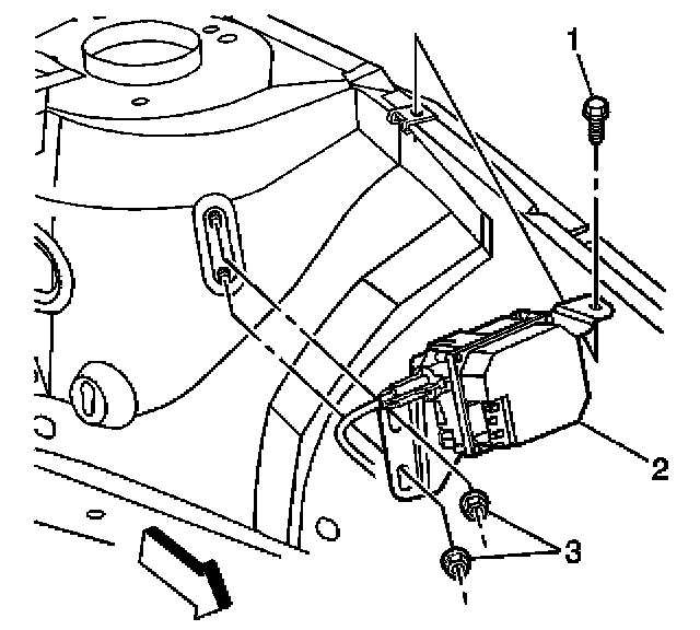
2. Disconnect the electrical connector (2) from the cruise control module.




3. Remove the module bracket retaining fasteners (1, 3).
4. Remove the cruise control module and bracket assembly (2) from vehicle.
5. Remove the module to bracket fasteners.
6. Remove the module from the bracket.

INSTALLATION PROCEDURE




1. Install the cruise control module (2) to the bracket.
2. Install the module to bracket fasteners.

NOTE: Refer to Fastener Notice in Service Precautions.

Tighten
Tighten the fasteners to 7.5 N.m (66 lb in).

3. Install the cruise control module and bracket assembly to the vehicle.
4. Install the module retaining fasteners (1, 3).

Tighten
Tighten the fasteners to 9 N.m (80 lb in).




5. Connect the electrical connector (2) to the cruise control module.
6. Install the cruise control cable.

IMPORTANT: The cruise control cable does not require mechanical adjusting after the replacement. The cruise control module internally adjusts the cable. Refer to Cruise Control Description and Operation for the complete operational details.

7. Inspect the component operation.