Curiosii for ever!: Car repair manuals for everyone.

Throttle Position Sensor: Service and Repair

REMOVAL PROCEDURE




1. Remove the exhaust gas recirculation (EGR) valve.
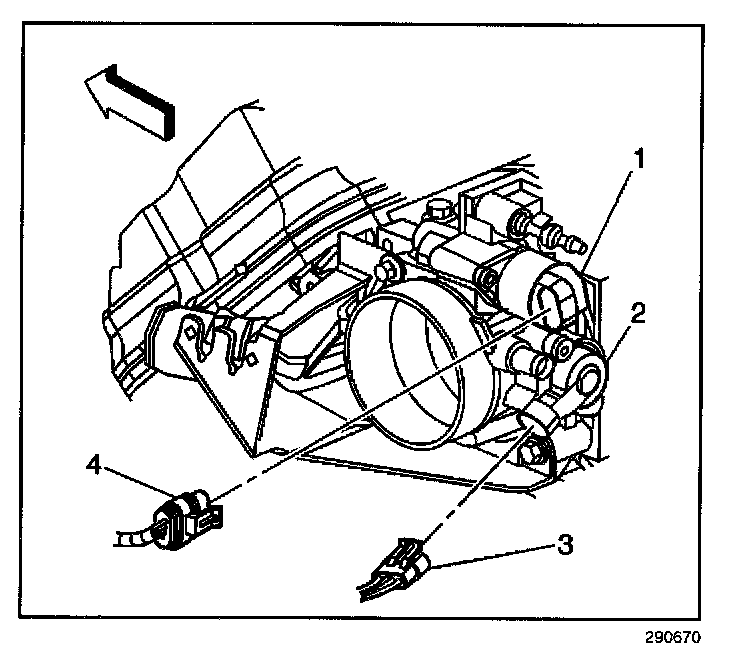
2. Disconnect the throttle position (TP) sensor electrical connector (3).




3. Remove the 2 TP sensor screws (4) from the TP sensor (5).
4. Remove the TP sensor (5) from the throttle body (7).
5. Remove the O-ring (6) from the TP sensor (5). Discard the O-ring.

INSTALLATION PROCEDURE




1. Install the new O-ring (6) to the TP sensor (5).
2. Install the TP sensor (5) to the throttle body (7).

NOTE: Refer to Fastener Notice in Service Precautions.

3. Install the 2 TP sensor screws.

Tighten
Tighten the screws to 2.3 N.m (20 lb in).




4. Connect the TP sensor electrical connector (3).
5. Install the EGR valve.