Curiosii for ever!: Car repair manuals for everyone.

Fuel Level Sensor: Service and Repair

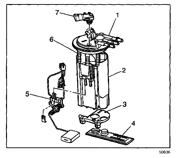
REMOVAL PROCEDURE

IMPORTANT: Always maintain cleanliness when servicing fuel system components.




1. Remove the fuel sender assembly.
2. Disconnect the fuel level sensor electrical connector from under the top of the fuel sender assembly.
3. Remove the fuel level sensor (5) from the fuel sender assembly.

INSTALLATION PROCEDURE




1. Install the fuel level sensor (5) to the fuel sender assembly.
2. Connect the fuel level sensor electrical connector.
3. Install the fuel sender assembly.