Curiosii for ever!: Car repair manuals for everyone.

Crankshaft Position Sensor: Service and Repair

REMOVAL PROCEDURE




1. Disconnect the negative battery cable.
2. Raise and support the vehicle. Refer to Lifting and Jacking the Vehicle.
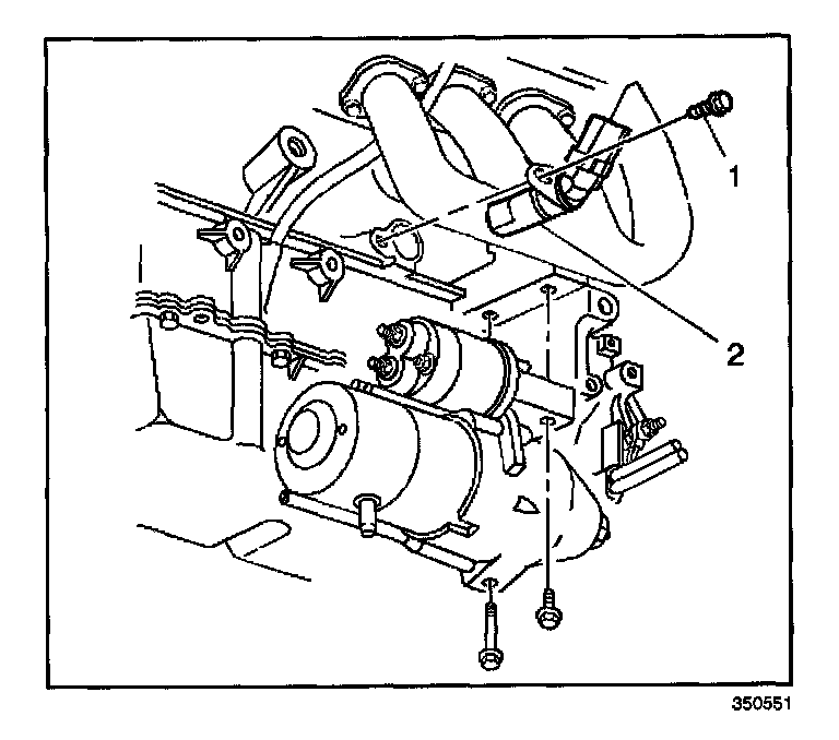
3. Remove the starter motor.
4. Disconnect the crankshaft position (CKP) sensor electrical connector.
5. Remove the CKP sensor bolt (1).
6. Remove the CKP sensor (2) from the engine block:
^ Remove the sensor by pulling on the sensor connector. DO NOT pry on the bracket.
^ DO NOT rotate or twist the sensor or damage the mounting bracket if the sensor is being reused.

INSTALLATION PROCEDURE

IMPORTANT: When replacing the CKP sensor with a new sensor or reinstalling the original sensor, use the following recommended procedures:
^ Ensure that the CKP sensor bore is completely free of any foreign material, such as old O-ring, dirt, burrs, etc.
^ Ensure that the flange on the CKP sensor bore is not damaged.
^ Clean all the mounting surfaces before re-installing any components.
^ Inspect the CKP sensor and replace the sensor if any of the following conditions are present:
- The bracket is damaged.
- The bottom of the brass housing exhibits any damage.
- Never install a sensor that has been dropped.
^ Lubricate the O-ring on the sensor with clean engine oil prior to installing the sensor.
^ Inspect all the connectors for any damaged terminals.




1. Install and fully seat the CKP sensor (2) into the engine block.

NOTE: Refer to Fastener Notice in Service Precautions.

2. Install the CKP sensor bolt (1).

Tighten
Tighten the bolt to 9 N.m (80 lb in).

3. Ensure that the CKP sensor mounting flange is contacting the engine block.
4. Connect the CKP sensor electrical connector.
5. Install the starter motor.
6. Connect the negative battery cable.
7. Lower the vehicle.
8. The CKP System Variation Learn Procedure must be performed after replacing the CKP sensor. Even if the original sensor is reinstalled, the Learn Procedure must be performed. Programming and Relearning