Curiosii for ever!: Car repair manuals for everyone.

Air Flow Meter/Sensor: Service and Repair

MASS AIR FLOW (MAF) SENSOR REPLACEMENT

REMOVAL PROCEDURE




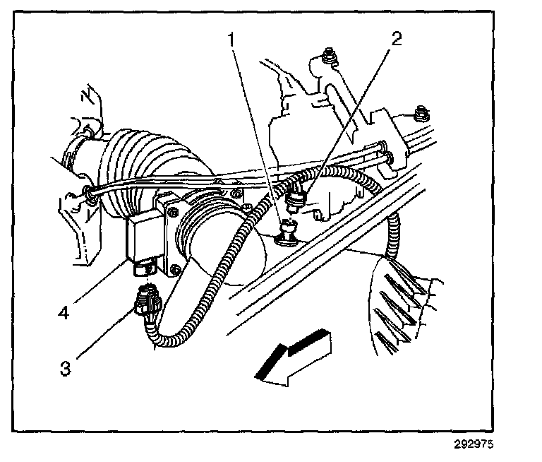
1. Disconnect the electrical connector (3) from the mass airflow (MAF) sensor.
2. Loosen the 2 band clamps located on either side of the MAF sensor (4).
3. Disconnect the intake air duct of the throttle body from the MAF sensor.

NOTE: Do not damage the MAF sensor screen. A damaged screen could restrict airflow and lead to a driveability concern.

4. Remove the MAF sensor from the air cleaner assembly.

INSTALLATION PROCEDURE

NOTE: Do not damage the MAF sensor screen. A damaged screen could restrict airflow and lead to a driveability concern.

IMPORTANT: The MAF sensor must be mounted with the air flow direction arrow located on top of the MAF sensor pointing with air flow toward the throttle body. Ensure that the MAF sensor locating tabs and the locating slots of the intake air ducts line up before connecting the MAF sensor and the intake air ducts.




1. Insert the MAF sensor into the air cleaner assembly duct.

NOTE: Refer to Fastener Notice in Service Precautions.

2. Connect the intake air duct to the MAF sensor.

Tighten
Tighten the 2 band clamps to 3.5 N.m (31 lb in).

3. Connect the electrical connector to the MAF sensor.