Curiosii for ever!
: Car repair manuals for everyone.
Home
>>
Oldsmobile
>>
2002
>>
Intrigue V6-214 3.5L VIN H SFI
>>
Repair and Diagnosis
>>
Locations
>>
Component Locations
>>
Modules
>>
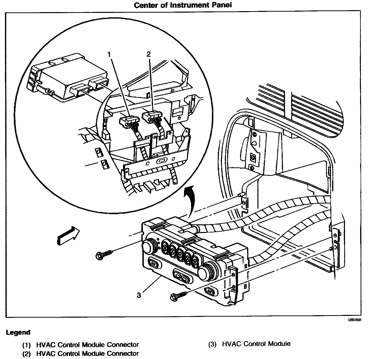
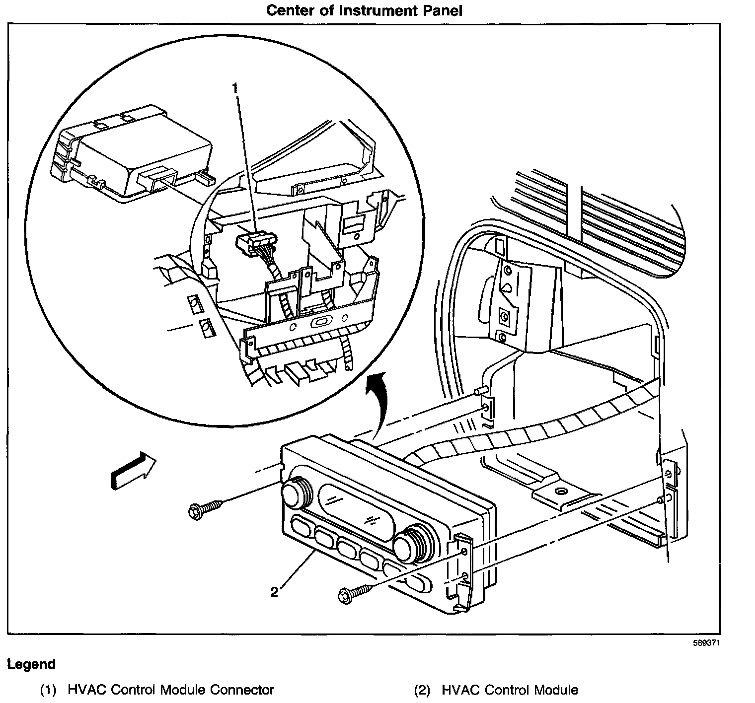
HVAC Control Module
HVAC Control Module
Locations View:
Locations View:
Locations View:
Locations View: