Curiosii for ever!
: Car repair manuals for everyone.
Home
>>
Oldsmobile
>>
2002
>>
Intrigue V6-214 3.5L VIN H SFI
>>
Repair and Diagnosis
>>
Diagrams
>>
Components
>>
Modules
>>
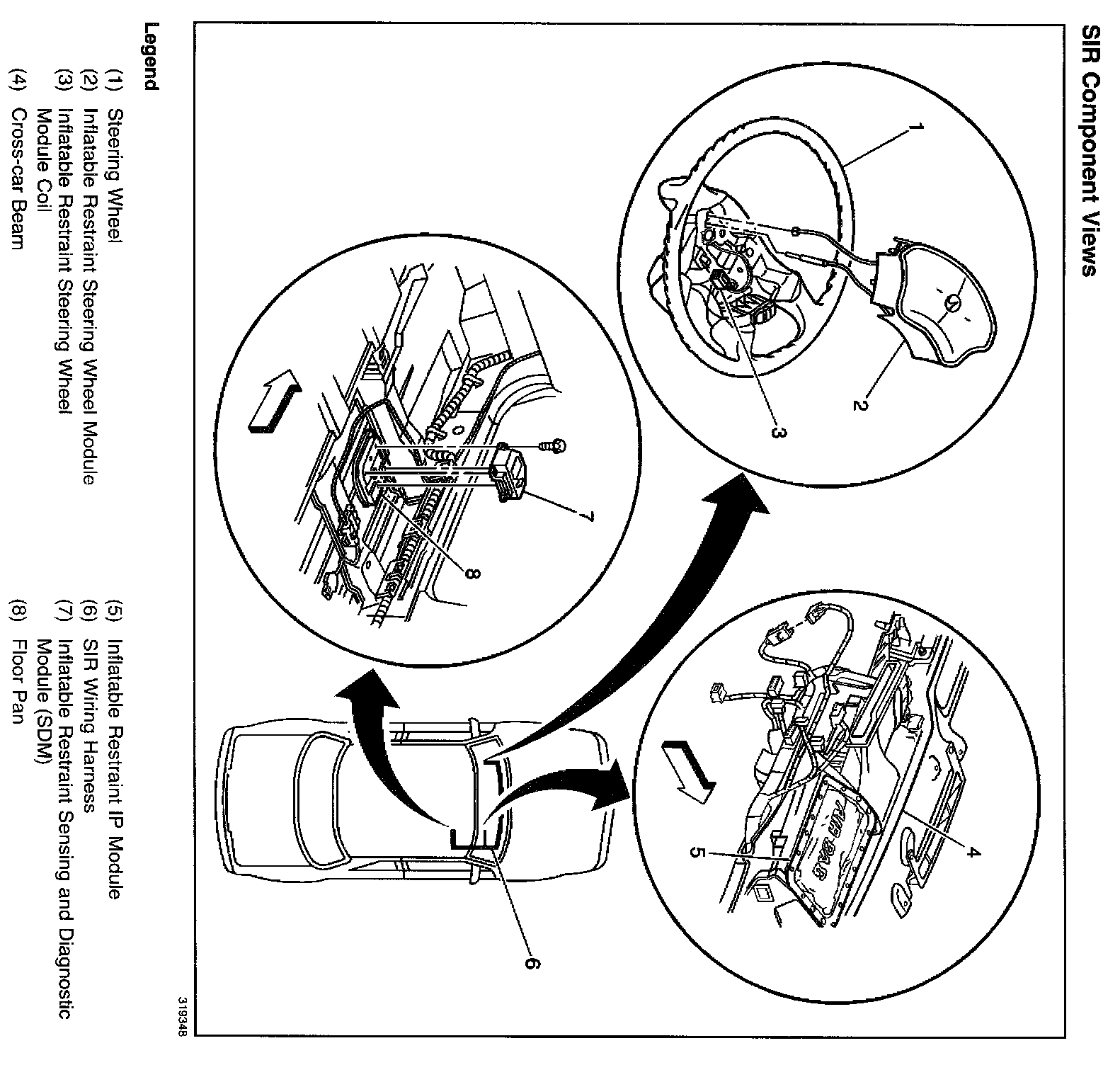
Inflatable Restraint Sensing And Diagnostic Module (SDM)
Inflatable Restraint Sensing And Diagnostic Module (SDM)
Locations View: