Curiosii for ever!
: Car repair manuals for everyone.
Home
>>
Oldsmobile
>>
2002
>>
Alero L4-2.2L VIN F
>>
Repair and Diagnosis
>>
Power and Ground Distribution
>>
Relay Box
>>
Locations
>>
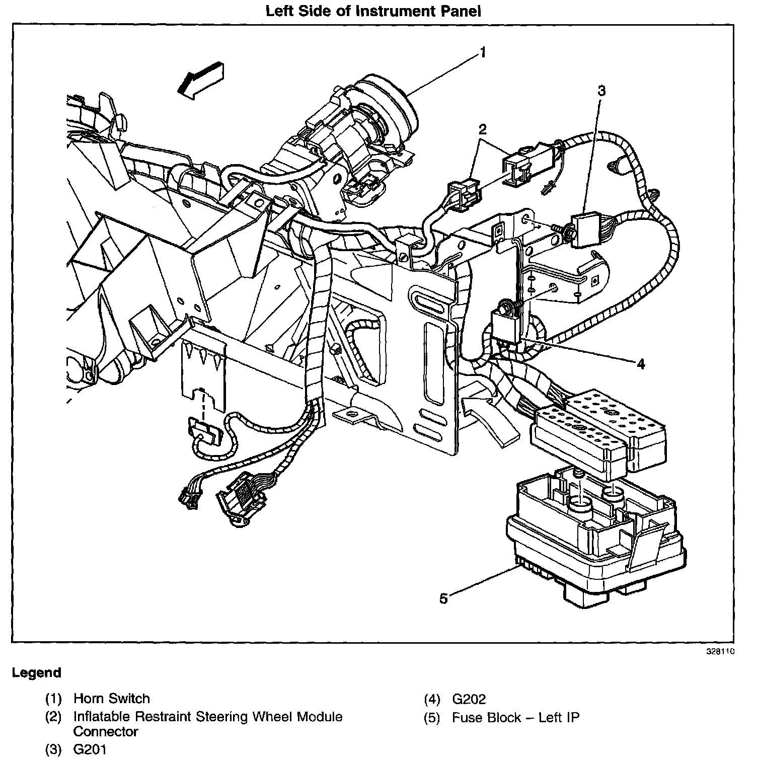
Fuse Block - left IP
Fuse Block - left IP
Locations View: