Curiosii for ever!: Car repair manuals for everyone.

Timing Cover: Service and Repair

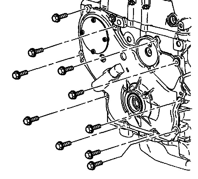
Engine Front Cover Replacement





1. Remove the crankcase balancer.
2. Remove the drive belt tensioner.





3. Remove the engine front cover to water pump bolt.





4. Remove the remaining engine front cover bolts.
5. Remove the engine front cover gasket if it is damaged.

Installation Procedure





1. If removed install the front cover gasket.
2. Install the engine front cover.

Notice: Refer to Fastener Notice in Service Precautions.





3. Install the engine front cover to water pump bolt.
Tighten the engine front cover to water pump bolt to 20 Nm (15 ft. lbs.).





4. Install the remaining engine front cover bolts.
Tighten the remaining engine front cover bolts to 20 Nm (15 ft. lbs.).
5. Install the drive belt tensioner.





6. Install the drive belt tensioner bolt.
Tighten the drive belt tensioner bolt to 45 Nm (33 ft. lbs.).
7. Install the crankcase balancer.