Curiosii for ever!: Car repair manuals for everyone.

Fuse Block: Service and Repair

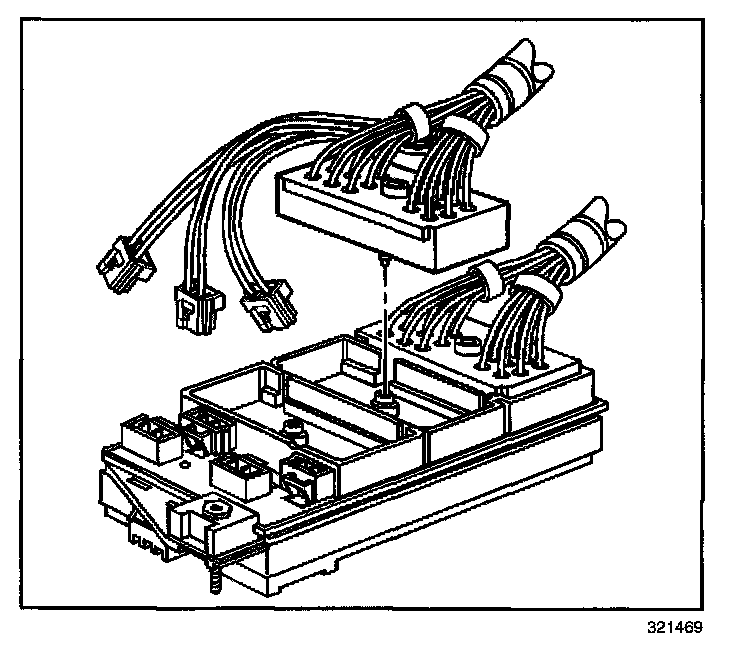
UNDERHOOD ELECTRICAL CENTER REPLACEMENT

REMOVAL PROCEDURE




1. Disconnect the negative battery cable.
2. Release and reposition the remote positive battery cable stud cover.
3. Remove the nut retaining the engine wiring harness and positive battery cable leads to the underhood accessory wiring junction block, then reposition the cable leads away from the junction block.




4. Release the four tabs retaining the junction block to the junction block retainer and reposition the junction block.




5. Disconnect the Instrument Panel (IP) wiring harness individual connectors from the junction block.




6. Loosen the bolts retaining the engine, IP and forward lamp wiring harness connectors to the junction block.
7. Disconnect the engine wiring harness connector from the junction block.




8. Disconnect the IP wiring harness connector from the junction block.




9. Disconnect the forward lamp wiring harness connector from the junction block.




10. If the accessory wiring junction block retainer removal is necessary, perform the following:
10.1. Release the positive battery cable lead retainers from the junction block retainer, then reposition the cable lead away from the retainer.
10.2. Remove the nut from the junction block retainer to the strut tower.
10.3. Remove the nut from the accessory junction block retainer to the strut tower.
10.4. Lift the junction block retainer to release the lower tab and remove the retainer from the vehicle.
10.5. Remove the accessory junction block retainer from the junction block retainer and then reposition away from the junction block, if equipped.

INSTALLATION PROCEDURE




1. If the accessory wiring junction block retainer installation is necessary, perform the following:
1.1. Install the accessory junction block retainer to the junction block retainer, if equipped.
1.2. Position the junction block retainer to the strut tower and insert the lower tab on the retainer to the slot on the tower.

NOTE: Refer to Fastener Notice in Service Precautions.

1.3. Install the nuts to the junction block retainer and the accessory junction block retainer.

Tighten
Tighten the junction block retainers to strut tower nuts to 3 N.m (27 lb in).

1.4. Position the positive battery cable lead end through the slot in the junction block retainer, then secure the cable retainers.




2. Connect the forward lamp wiring harness connector to the junction block.




3. Connect the IP wiring harness connector to the junction block.




4. Connect the engine wiring harness connector to the junction block.
5. Tighten the bolts retaining the engine, IP and forward lamp wiring harness connectors to the junction block.

Tighten
Tighten the wiring harness connectors to underhood accessory wiring junction block retaining bolts to 7 N.m (62 lb in).




6. Connect the IP wiring harness individual connectors to the junction block.




7. Position the wiring harnesses and the accessory wiring junction block to the junction block retainer, align the four retaining tabs and press into place to secure the junction block.




8. Install the positive battery cable lead to the stud on the underhood accessory wiring junction block, then install the engine wiring harness leads to the stud.
9. Install the cable leads retaining nut.

Tighten
Tighten the engine wiring harness and positive battery cable leads to underhood accessory wiring junction block retaining nut to 10 N.m (89 lb in).

10. Install the remote positive battery cable stud cover.
11. Connect the negative battery cable.