Curiosii for ever!: Car repair manuals for everyone.

Throttle Position Sensor: Service and Repair

THROTTLE POSITION (TP) SENSOR REPLACEMENT

REMOVAL PROCEDURE

CAUTION: Refer to Battery Disconnect Caution in Service Precautions.




1. Disconnect the negative battery cable.
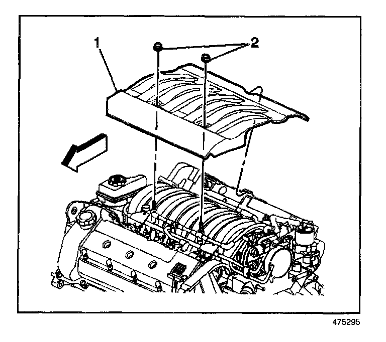
2. Remove the nuts (2) from the fuel injector sight shield (1).




3. Remove the idle air control (IAC) electrical connector (1) from the throttle position (TP) sensor (4).
4. Remove the TP sensor electrical connector (2) from the TP sensor (3).




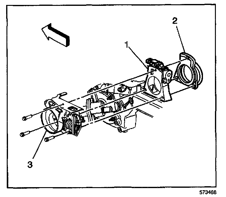
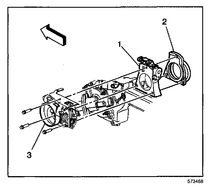
5. Remove the throttle body assembly (2).




6. Remove the TP sensor mounting bolts (3) from the TP sensor (2).
7. Remove the TP sensor (2) from the throttle body (1).
8. Discard the O-ring.

INSTALLATION PROCEDURE




1. Install the new O-ring on to the TP sensor.

NOTE: Refer to Fastener Notice in Service Precautions.

2. Install the TP sensor (2) on to the throttle body (1).

Tighten
Tighten the TP sensor screws to 2.3 N.m (20 lb in).




3. Install the throttle body assembly (2).




4. Install the TP sensor electrical connector (2) to the TP sensor (3).
5. Install the IAC electrical connector (1) to the TP sensor (4).

CAUTION: Refer to Battery Disconnect Caution in Service Precautions.

6. Connect the negative battery cable.




7. Install the fuel injector sight shield (1) to the engine.
8. Install the fuel injector sight shield nuts (2) to the fuel injector sight shield (1).

Tighten
Tighten the TP sensor screws to 3 N.m (27 lb in).

9. Install the rear seat cushion.