Curiosii for ever!
: Car repair manuals for everyone.
Home
>>
Oldsmobile
>>
2001
>>
Aurora V8-4.0L VIN C
>>
Repair and Diagnosis
>>
Diagrams
>>
Components
>>
Modules
>>
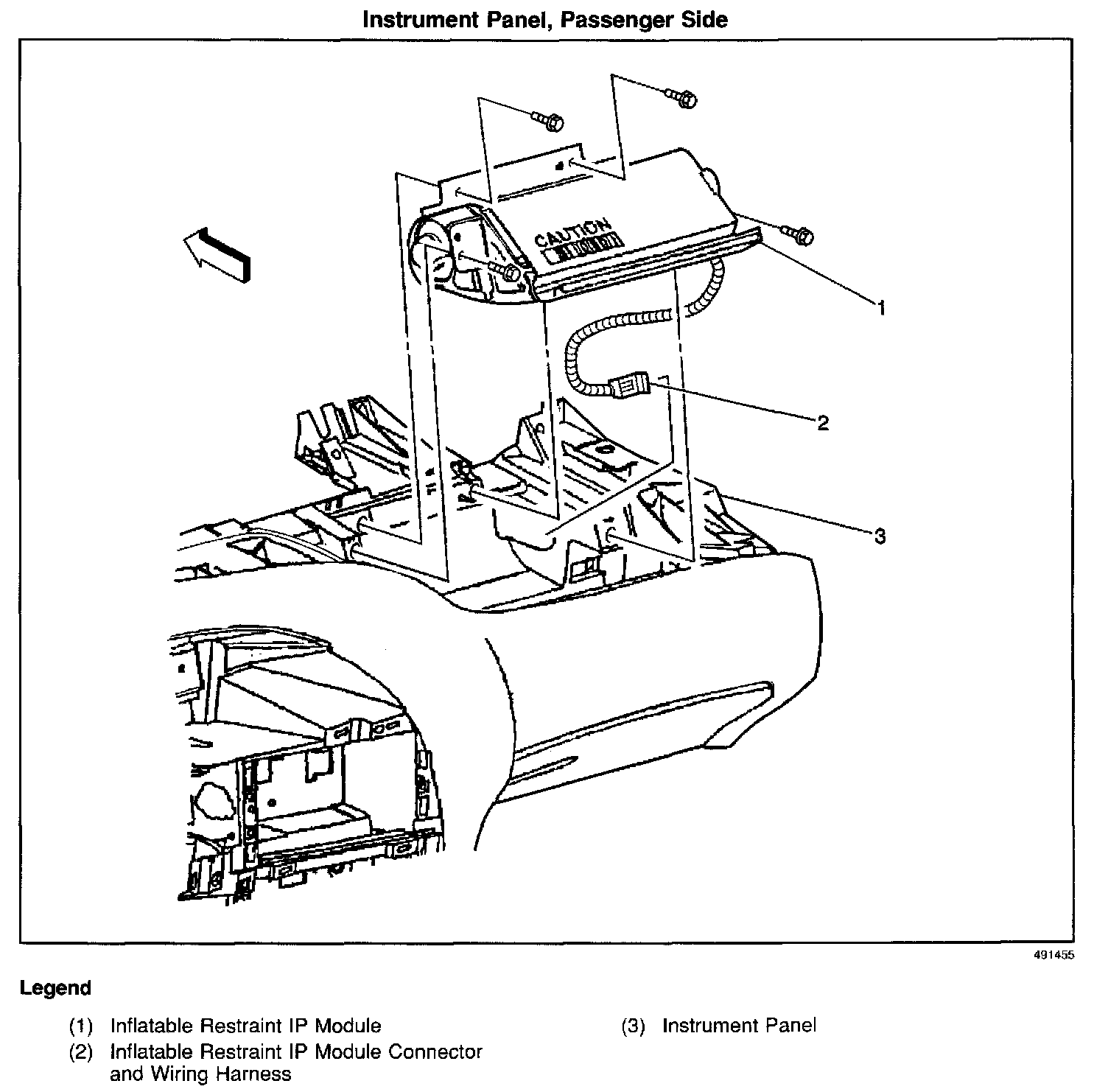
Inflatable Restraint IP Module
Inflatable Restraint IP Module
Locations View: