Curiosii for ever!: Car repair manuals for everyone.

Compressor Replacement

REMOVAL PROCEDURE




1. Disconnect the negative battery cable.
2. Remove the left front diagonal brace.
3. Recover the refrigerant. Refer to Refrigerant Recovery and Recharging.
4. Remove the generator.
5. Raise and support the vehicle. Refer to Lifting and Jacking the Vehicle in General Information.
6. Remove the lower air deflector.
7. Remove the right side engine splash shield.
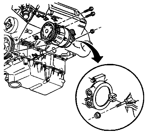
8. Remove the compressor hose assembly from rear of the compressor.
9. Disconnect the electrical connector from the compressor.




10. Remove the front and rear compressor mounting nuts.
11. Remove the top compressor mounting bolts.
12. Remove the compressor.

INSTALLATION PROCEDURE

IMPORTANT: Replacement compressors are shipped without oil (dry). Add 60 ml (2 oz) of synthetic refrigerant oil (PAG).




1. Install the compressor.

NOTE: Refer to Fastener Notice in Service Precautions.

2. Install the compressor front nut.

Tighten
Tighten the compressor front nut to 50 N.m (37 lb ft).

3. Install the compressor top bolts.

Tighten
Tighten the compressor top bolts to 50 N.m (37 lb ft).

4. Install the compressor rear nut.

Tighten
Tighten the compressor rear nut to 25 N.m (18 lb ft).

5. Install the compressor hose assembly to the rear of the compressor.




6. Connect the electrical connector to the compressor.
7. Install the right side engine splash shield.
8. Install the lower air deflector.
9. Lower the vehicle.
10. Install the generator.
11. Evacuate and recharge the A/C system. Refer to Refrigerant Recovery and Recharging.
12. Inspect the A/C system for leaks. Refer to Leak Testing.
13. Install the left front diagonal brace.
14. Connect the negative battery cable.